Detroit Clan

Украинский клуб владельцев настоящих американских автомобилей
Текущее время: 25 окт 2025, 17:12

Часовой пояс: UTC + 2 часа [ Летнее время ]


Важное сообщение! Что произошло с форумом? Все по ссылке


Интернет магазин Ваши Шины


Начать новую тему Ответить на тему  [ Сообщений: 518 ]  На страницу Пред.  1 ... 25, 26, 27, 28, 29, 30, 31 ... 52  След.
Автор Сообщение
 Заголовок сообщения: Re: My CAMARO
СообщениеДобавлено: 18 май 2011, 11:37 
Не в сети
General Lee

Зарегистрирован: 10 июл 2008, 10:51
Сообщения: 9509
Откуда: Cornelius, NC
Авто: Volvo 240
а чё зад так задран?

_________________
Бывшие: 96 Taurus, 93 Taurus, 95 Crown Vic, 97 Yukon, 96 Caprice SS, 99 Dakota, 96 Impala SS, 95 Cherokee XJ, 05 PT Cruiser, 98 Camaro, 03 Blazer, 02 Windstar, 97 Taurus Wagon, 02 Focus Wagon, 06 RAM 1500, 89 Mustang GT, 96 Suburban, 92 Mustang LX Vert, Ford Explorer 6" lifted


Вернуться к началу
 Профиль  
 
 Заголовок сообщения: Re: My CAMARO
СообщениеДобавлено: 18 май 2011, 11:39 
Не в сети
Герр Гюнтер
Аватара пользователя

Зарегистрирован: 04 июл 2008, 22:23
Сообщения: 11719
Откуда: Kiev
Авто: Chevrolet Camaro 5.1
mr_Capone писал(а):
а чё зад так задран?


Вобщето он не задран. Пусть Игорь сделает фотку впрофиль

_________________
Изображение
Chevrolet Camaro 1988 5.1L V8 carb, T-5 ручка


Вернуться к началу
 Профиль  
 
 Заголовок сообщения: Re: My CAMARO
СообщениеДобавлено: 20 май 2011, 15:10 
Не в сети
Член клуба
Аватара пользователя

Зарегистрирован: 14 апр 2009, 15:16
Сообщения: 2866
Откуда: Kiev
Авто: Chevrolet Camaro 1988 V8 (305)
:pazan: ето так нада штобы по селу катать! ;)

_________________
Изображение
http://www.skulptor.at.ua


Вернуться к началу
 Профиль  
 
 Заголовок сообщения: Re: My CAMARO
СообщениеДобавлено: 22 май 2011, 22:14 
Не в сети
Член клуба
Аватара пользователя

Зарегистрирован: 14 апр 2009, 15:16
Сообщения: 2866
Откуда: Kiev
Авто: Chevrolet Camaro 1988 V8 (305)
Изображение

В новом домике для Камаро!

_________________
Изображение
http://www.skulptor.at.ua


Вернуться к началу
 Профиль  
 
 Заголовок сообщения: Re: My CAMARO
СообщениеДобавлено: 22 май 2011, 22:17 
Не в сети
Член клуба
Аватара пользователя

Зарегистрирован: 11 июн 2008, 15:13
Сообщения: 23218
Авто: Nissan Leaf 12
а губу покрасить ?


Вернуться к началу
 Профиль  
 
 Заголовок сообщения: Re: My CAMARO
СообщениеДобавлено: 22 май 2011, 22:55 
Не в сети
Член клуба
Аватара пользователя

Зарегистрирован: 14 апр 2009, 15:16
Сообщения: 2866
Откуда: Kiev
Авто: Chevrolet Camaro 1988 V8 (305)
Еще рано! :hi:

_________________
Изображение
http://www.skulptor.at.ua


Вернуться к началу
 Профиль  
 
 Заголовок сообщения: Re: My CAMARO
СообщениеДобавлено: 26 май 2011, 10:52 
Не в сети
Член клуба
Аватара пользователя

Зарегистрирован: 14 апр 2009, 15:16
Сообщения: 2866
Откуда: Kiev
Авто: Chevrolet Camaro 1988 V8 (305)
вот-вот :drinks:

Скоро приедет DynoMax

_________________
Изображение
http://www.skulptor.at.ua


Вернуться к началу
 Профиль  
 
 Заголовок сообщения: Re: My CAMARO
СообщениеДобавлено: 01 июн 2011, 11:59 
Не в сети
Герр Гюнтер
Аватара пользователя

Зарегистрирован: 04 июл 2008, 22:23
Сообщения: 11719
Откуда: Kiev
Авто: Chevrolet Camaro 5.1
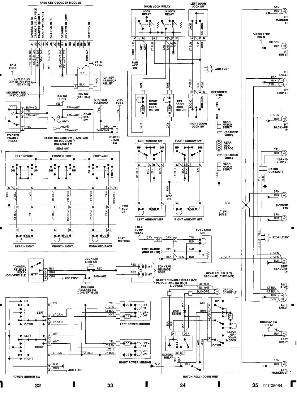
Схемы к 3.1


Вложения:
3-1pnsswtch.JPG
3-1pnsswtch.JPG [ 28.55 КБ | Просмотров: 2237 ]
3-1 pinout.JPG
3-1 pinout.JPG [ 147.3 КБ | Просмотров: 2260 ]
3-1 pass.JPG
3-1 pass.JPG [ 220.81 КБ | Просмотров: 2271 ]
3-1.JPG
3-1.JPG [ 232.88 КБ | Просмотров: 2271 ]

_________________
Изображение
Chevrolet Camaro 1988 5.1L V8 carb, T-5 ручка
Вернуться к началу
 Профиль  
 
 Заголовок сообщения: Re: My CAMARO
СообщениеДобавлено: 01 июн 2011, 12:19 
Не в сети
Герр Гюнтер
Аватара пользователя

Зарегистрирован: 04 июл 2008, 22:23
Сообщения: 11719
Откуда: Kiev
Авто: Chevrolet Camaro 5.1
SuperBee писал(а):
Изображение

В новом домике для Камаро!


У тебя на задней стене подкова. Повесь её рогами вверх или выкинь. Так как она весит сейчас - это символ неудачи ;)

_________________
Изображение
Chevrolet Camaro 1988 5.1L V8 carb, T-5 ручка


Вернуться к началу
 Профиль  
 
 Заголовок сообщения: Re: My CAMARO
СообщениеДобавлено: 01 июн 2011, 12:24 
Не в сети
Член клуба
Аватара пользователя

Зарегистрирован: 09 янв 2009, 18:44
Сообщения: 1419
Откуда: Киев
Авто: caprice_91_black hyundai santa fe
+100


Вернуться к началу
 Профиль  
 
Показать сообщения за:  Поле сортировки  
Начать новую тему Ответить на тему  [ Сообщений: 518 ]  На страницу Пред.  1 ... 25, 26, 27, 28, 29, 30, 31 ... 52  След.


Часовой пояс: UTC + 2 часа [ Летнее время ]


Кто сейчас на конференции

Сейчас этот форум просматривают: нет зарегистрированных пользователей и гости: 14


Вы не можете начинать темы
Вы не можете отвечать на сообщения
Вы не можете редактировать свои сообщения
Вы не можете удалять свои сообщения
Вы не можете добавлять вложения

Перейти:  
Дружественные проекты: Фреон для автомобилей, Оптовая продажа фреона на сайте freezeoil.com.ua.
Фреон R134a, R410A, R404A, R606a, R507. Фреоны для кондиционеров, холодильников, пожаротушения.