Detroit Clan

Украинский клуб владельцев настоящих американских автомобилей
Текущее время: 25 окт 2025, 03:05

Часовой пояс: UTC + 2 часа [ Летнее время ]


Важное сообщение! Что произошло с форумом? Все по ссылке


Интернет магазин Ваши Шины


Начать новую тему Ответить на тему  [ Сообщений: 9 ] 
Автор Сообщение
СообщениеДобавлено: 08 окт 2013, 16:40 
Не в сети
Член клуба
Аватара пользователя

Зарегистрирован: 28 янв 2010, 17:34
Сообщения: 815
Откуда: Lvіv
Авто: LeBaron Кабрио: белоснежный 2,5 Turbo и красненький 2,5 TBI, оба 90г, Town Country 3,3 95г и т. д.
Существуют ли такие??? :popcorn

_________________
Изображение
Chevy Truck 5,7 х 6,0 х 6,2 Некультурно длинючий...)))


Вернуться к началу
 Профиль  
 
СообщениеДобавлено: 08 окт 2013, 16:41 
Не в сети
Член клуба
Аватара пользователя

Зарегистрирован: 11 июн 2008, 15:13
Сообщения: 23218
Авто: Nissan Leaf 12
а что нннннада ?


Вернуться к началу
 Профиль  
 
СообщениеДобавлено: 11 окт 2013, 21:16 
Не в сети
Член клуба
Аватара пользователя

Зарегистрирован: 28 янв 2010, 17:34
Сообщения: 815
Откуда: Lvіv
Авто: LeBaron Кабрио: белоснежный 2,5 Turbo и красненький 2,5 TBI, оба 90г, Town Country 3,3 95г и т. д.
Нужно на пикап на задний борт завис-петлю, куда вставляется борт со стороны водителя.
Ещё плафон подсветку заднего номера, которые по боках...

_________________
Изображение
Chevy Truck 5,7 х 6,0 х 6,2 Некультурно длинючий...)))


Вернуться к началу
 Профиль  
 
СообщениеДобавлено: 11 окт 2013, 22:00 
Не в сети
Член клуба
Аватара пользователя

Зарегистрирован: 11 июн 2008, 15:13
Сообщения: 23218
Авто: Nissan Leaf 12
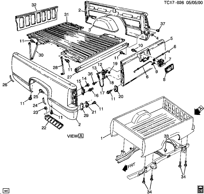
покажи на картинке завесы


Вложения:
g9819f9914a827e54cad1f8eb2b17da1a.png
g9819f9914a827e54cad1f8eb2b17da1a.png [ 56.72 КБ | Просмотров: 6378 ]
Вернуться к началу
 Профиль  
 
СообщениеДобавлено: 11 окт 2013, 22:04 
Не в сети
Член клуба
Аватара пользователя

Зарегистрирован: 11 июн 2008, 15:13
Сообщения: 23218
Авто: Nissan Leaf 12
http://www.1aauto.com/1A/LicensePlateLi ... 89839/1997


Вложения:
main.JPG
main.JPG [ 11.24 КБ | Просмотров: 6377 ]
Вернуться к началу
 Профиль  
 
СообщениеДобавлено: 11 окт 2013, 22:30 
Не в сети
Член клуба
Аватара пользователя

Зарегистрирован: 28 янв 2010, 17:34
Сообщения: 815
Откуда: Lvіv
Авто: LeBaron Кабрио: белоснежный 2,5 Turbo и красненький 2,5 TBI, оба 90г, Town Country 3,3 95г и т. д.
Часть зависа, который крепится к к кузову...


Вложения:
g98.PNG
g98.PNG [ 95.85 КБ | Просмотров: 6371 ]

_________________
Изображение
Chevy Truck 5,7 х 6,0 х 6,2 Некультурно длинючий...)))
Вернуться к началу
 Профиль  
 
СообщениеДобавлено: 11 окт 2013, 22:39 
Не в сети
Член клуба
Аватара пользователя

Зарегистрирован: 11 июн 2008, 15:13
Сообщения: 23218
Авто: Nissan Leaf 12
http://www.ebay.com/sch/i.html?_odkw=ta ... 9&_sacat=0

http://www.ebay.com/sch/i.html?_odkw=15 ... 0&_sacat=0


Вернуться к началу
 Профиль  
 
СообщениеДобавлено: 02 ноя 2013, 04:29 
Не в сети
Член клуба
Аватара пользователя

Зарегистрирован: 28 янв 2010, 17:34
Сообщения: 815
Откуда: Lvіv
Авто: LeBaron Кабрио: белоснежный 2,5 Turbo и красненький 2,5 TBI, оба 90г, Town Country 3,3 95г и т. д.
Капитан Улитка, спасибо за ссылки! Откуда детальные каталожные рисунки??? Где можно качнуть такой каталог?
И ещё... Нужна подставка под аккумулятор(на фото до востановления ;) ) Свою подварил, пойдёт на "эвридей", нужна вторая, на другую сторону подкапотного(в плане на лебёдку и аккустику) - переделаем на "зеркальную", благо место почти свободное, чуть перенести "какой то" фильтр.


Вложения:
IMG_2800.jpg
IMG_2800.jpg [ 236.57 КБ | Просмотров: 6289 ]

_________________
Изображение
Chevy Truck 5,7 х 6,0 х 6,2 Некультурно длинючий...)))
Вернуться к началу
 Профиль  
 
СообщениеДобавлено: 02 ноя 2013, 10:21 
Не в сети
Член клуба
Аватара пользователя

Зарегистрирован: 11 июн 2008, 15:13
Сообщения: 23218
Авто: Nissan Leaf 12
Вот
http://www.ebay.com/itm/NEW-Genuine-GM- ... e9&vxp=mtr


Вернуться к началу
 Профиль  
 
Показать сообщения за:  Поле сортировки  
Начать новую тему Ответить на тему  [ Сообщений: 9 ] 


Часовой пояс: UTC + 2 часа [ Летнее время ]


Кто сейчас на конференции

Сейчас этот форум просматривают: нет зарегистрированных пользователей и гости: 9


Вы не можете начинать темы
Вы не можете отвечать на сообщения
Вы не можете редактировать свои сообщения
Вы не можете удалять свои сообщения
Вы не можете добавлять вложения

Перейти:  
cron
Дружественные проекты: Фреон для автомобилей, Оптовая продажа фреона на сайте freezeoil.com.ua.
Фреон R134a, R410A, R404A, R606a, R507. Фреоны для кондиционеров, холодильников, пожаротушения.