Detroit Clan

Украинский клуб владельцев настоящих американских автомобилей
Текущее время: 21 май 2026, 03:18

Часовой пояс: UTC + 2 часа [ Летнее время ]


Важное сообщение! Что произошло с форумом? Все по ссылке


Интернет магазин Ваши Шины


Начать новую тему Ответить на тему  [ Сообщений: 47 ]  На страницу Пред.  1, 2, 3, 4, 5  След.
Автор Сообщение
 Заголовок сообщения: Re: Вопрос по замене руля
СообщениеДобавлено: 22 дек 2011, 01:00 
Не в сети
Член клуба
Аватара пользователя

Зарегистрирован: 13 сен 2010, 14:41
Сообщения: 2197
Авто: Tata Gurkha и Bentley Brooklands
razin писал(а):
Ничего не бахнет!!! Все это страшные сказки про "черного прапорщика" :hahaha: :hahaha: :hahaha:
Поверьте снят уже не один десяток рулей, просто при отключенном аирбэге не включать зажигание чтобы не выбило ошибку, но и это легко устраняется.
Для надежности - скиньте клему с батарейки. :drinks:



Спасибо!
Но и всё-таки настораживает какая-то лукавая мысля, что в один прекрасный момент она сможет выстрелить. . . Конечно же я клемму АКБ отсоединю, когда буду (если буду) отсоединять/присоединять АИРБЕГ. . . Но, есть-ли гарантия что она просто-так, случайно не выстрелит при езде(из-за, возможно,каких-то там НЕсовпадений итп ????


Вернуться к началу
 Профиль  
 
 Заголовок сообщения: Re: Вопрос по замене руля
СообщениеДобавлено: 22 дек 2011, 01:03 
Не в сети
11.11.11
Аватара пользователя

Зарегистрирован: 02 апр 2010, 16:55
Сообщения: 7535
Авто: Dodge Ram 1500
шансов не больше, чем отвалится колесо :pardon:
где-то кидал ссылку- в штатах отзывали форды какие-то из-за глюка аирбегов: влетаешь в яму на скорости- получаешь подушкой по лицу :(

_________________
Недопривод и недомотор.


Вернуться к началу
 Профиль  
 
 Заголовок сообщения: Re: Вопрос по замене руля
СообщениеДобавлено: 22 дек 2011, 02:09 
Не в сети
Член клуба
Аватара пользователя

Зарегистрирован: 07 мар 2009, 15:25
Сообщения: 4103
Откуда: ВОРЗЕЛЬ
Авто: OMEGA A 3.0-OMEGA B 2.0-OMEGA A 2.0-ASCONA 2.0 cabrio (в работе)
Вот в этом и есть проблема детройт клана , и всей нашей страны. Если бы вы хоть чуть чуть разбирались в электронике - то понимали бы - как работает аирбэг, и не задавали бы тут тупых вопросов , и не писали бы всякую хуйню , про то, что Вы где там слышали.
Для читателей и телезрителей - основной критерий нормальной работы подушки - это
1. Не стрелявшая подушка - это можно определить по ее внешнему виду - заново ее так хер сошьешь, сразу будет видно , + разрушения задней части подушки.
2. Наличие всех запорных штифтов на проводке подушки + целостность разЪемов. Есть такие даунито-хромосомо , которые не снимая стопорный штифт пытаются отсоединить подушку. Таких разЪемов несколько - как на самой подушке (в руле) так и внутри торпеды.
3. Гаснущяя лЯмпочка inflatable restraint однозначно дает хоть какую то гарантию того , что подушка в норме , и стрельнет когда надо, в любом случае, чтобы удостовериться что все работает как положено , необходимо соблюсти выполнение пунктов 1и2
4. Всегда пристегиваться - поскольку при срабатывающей подушке, и не пристегнутом ремне - повреждения лица еще хуже, чем без подушки вааще.
5. Любые работы с рулевой колонкой , затрагивающие подушку производить при отключенной клемме АКБ, и с необходимыми мерами предосторожности , как то - ожидание 10 мин, включение зажигания с пассажирского сидения и т.п.
ЗЫ. Если бы Вы видели , как стреляет подушка при несоблюдении этих правил ..... :stars:

_________________
In god we trust everyone - else pay cash !!!
У МЕНЯ ТЕПЕРЬ УЖЕ НЕТ АМЕРИКАНСКОЙ МАШИНЫ!!!!!!!
ЗЫЫ. Люблю жОсткое немецкое порно -желательно на видеокассетах.


Вернуться к началу
 Профиль  
 
 Заголовок сообщения: Re: Вопрос по замене руля
СообщениеДобавлено: 22 дек 2011, 10:28 
Не в сети
General Lee

Зарегистрирован: 10 июл 2008, 10:51
Сообщения: 9509
Откуда: Cornelius, NC
Авто: Volvo 240
razin писал(а):
Ничего не бахнет!!! Все это страшные сказки про "черного прапорщика" :hahaha: :hahaha: :hahaha:
Поверьте снят уже не один десяток рулей, просто при отключенном аирбэге не включать зажигание чтобы не выбило ошибку, но и это легко устраняется.
Для надежности - скиньте клему с батарейки. :drinks:

+1

_________________
Бывшие: 96 Taurus, 93 Taurus, 95 Crown Vic, 97 Yukon, 96 Caprice SS, 99 Dakota, 96 Impala SS, 95 Cherokee XJ, 05 PT Cruiser, 98 Camaro, 03 Blazer, 02 Windstar, 97 Taurus Wagon, 02 Focus Wagon, 06 RAM 1500, 89 Mustang GT, 96 Suburban, 92 Mustang LX Vert, Ford Explorer 6" lifted


Вернуться к началу
 Профиль  
 
 Заголовок сообщения: Re: Вопрос по замене руля
СообщениеДобавлено: 22 дек 2011, 10:31 
Не в сети
Член клуба
Аватара пользователя

Зарегистрирован: 11 июн 2008, 15:13
Сообщения: 23218
Авто: Nissan Leaf 12
а я был свидетелем как на работе бахнуло . инструкция по делу написана


Вернуться к началу
 Профиль  
 
 Заголовок сообщения: Re: Вопрос по замене руля
СообщениеДобавлено: 22 дек 2011, 14:24 
Не в сети
Член клуба
Аватара пользователя

Зарегистрирован: 27 фев 2009, 19:15
Сообщения: 2317
Откуда: Киев
Авто: Cadillac Seville STS, Toyota Avensis.
Погибли JeepCherokee Opel Monza GSE
процедуры niki не только руля касаются, а всего, рядом с чем есть подушка.


Вернуться к началу
 Профиль  
 
 Заголовок сообщения: Re: Вопрос по замене руля
СообщениеДобавлено: 22 дек 2011, 14:39 
Не в сети
Член клуба
Аватара пользователя

Зарегистрирован: 20 апр 2009, 15:30
Сообщения: 3830
Авто: Mustang BlackPony
niki писал(а):
Вот в этом и есть проблема детройт клана , и всей нашей страны. Если бы вы хоть чуть чуть разбирались в электронике - то понимали бы - как работает аирбэг, и не задавали бы тут тупых вопросов , и не писали бы всякую хуйню , про то, что Вы где там слышали.
Для читателей и телезрителей - основной критерий нормальной работы подушки - это
1. Не стрелявшая подушка - это можно определить по ее внешнему виду - заново ее так хер сошьешь, сразу будет видно , + разрушения задней части подушки.
2. Наличие всех запорных штифтов на проводке подушки + целостность разЪемов. Есть такие даунито-хромосомо , которые не снимая стопорный штифт пытаются отсоединить подушку. Таких разЪемов несколько - как на самой подушке (в руле) так и внутри торпеды.
3. Гаснущяя лЯмпочка inflatable restraint однозначно дает хоть какую то гарантию того , что подушка в норме , и стрельнет когда надо, в любом случае, чтобы удостовериться что все работает как положено , необходимо соблюсти выполнение пунктов 1и2
4. Всегда пристегиваться - поскольку при срабатывающей подушке, и не пристегнутом ремне - повреждения лица еще хуже, чем без подушки вааще.
5. Любые работы с рулевой колонкой , затрагивающие подушку производить при отключенной клемме АКБ, и с необходимыми мерами предосторожности , как то - ожидание 10 мин, включение зажигания с пассажирского сидения и т.п.
ЗЫ. Если бы Вы видели , как стреляет подушка при несоблюдении этих правил ..... :stars:

А что дает 10 мин. задержка?
Я серьезно, без подъебок.


Вернуться к началу
 Профиль  
 
 Заголовок сообщения: Re: Вопрос по замене руля
СообщениеДобавлено: 22 дек 2011, 15:15 
Не в сети
Член клуба
Аватара пользователя

Зарегистрирован: 07 мар 2009, 15:25
Сообщения: 4103
Откуда: ВОРЗЕЛЬ
Авто: OMEGA A 3.0-OMEGA B 2.0-OMEGA A 2.0-ASCONA 2.0 cabrio (в работе)
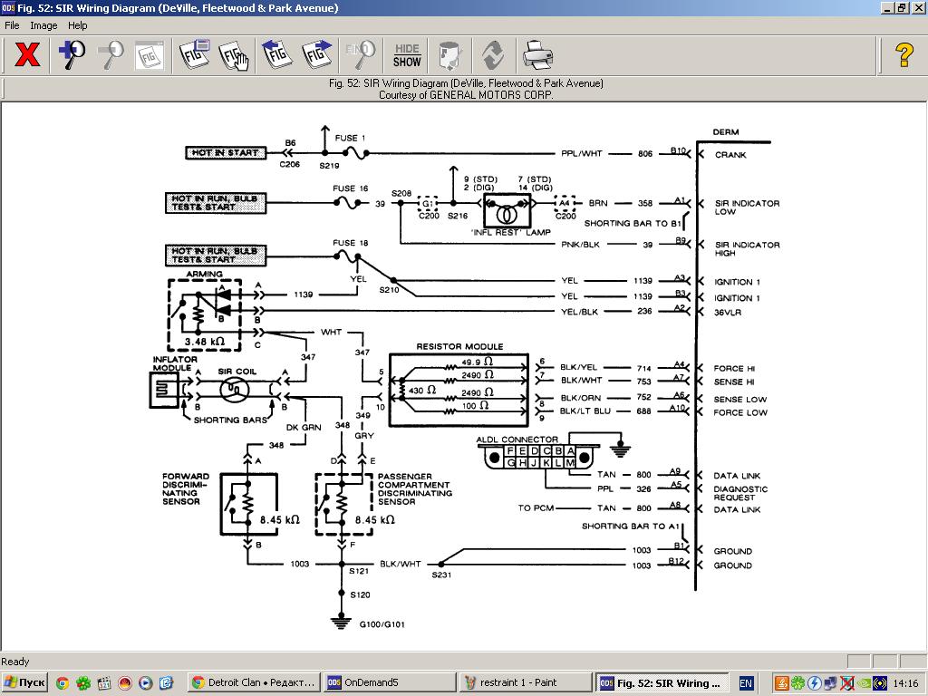
Вот схема.
Вложение:
restraint 1.JPG
restraint 1.JPG [ 118.1 КБ | Просмотров: 2700 ]


Сигнал на газовый генератор подушки (детонатор) подается от блока управления , который по сути является умножителем напряжения. Внутри этого блока стоят конденсаторы т.к умножитель собирается по общеизвестной схеме.. Время в 10 мин. - необходимо для их разрядки. Напряжение включения подушки - 36 вольт. Это сделано для того , что бы при 12В схеме электрооборудования в схему управления подушкой не наводилось ЭДС помехи от телефонов , других блоков автомобиля, пр. радиоэлектронных устройств , которые могут быть в автомобиле (рация, например у полицейских и пр) .Кроме того - такая схема активации подушки гарантирует ее срабатывание в том случае, если при ДТП повреждается проводка или АКБ. Энергия запасенная в конденсаторах умножителя напряжения все равно позволит подушке раскрыться, даже при отсутствии питания вообще.

_________________
In god we trust everyone - else pay cash !!!
У МЕНЯ ТЕПЕРЬ УЖЕ НЕТ АМЕРИКАНСКОЙ МАШИНЫ!!!!!!!
ЗЫЫ. Люблю жОсткое немецкое порно -желательно на видеокассетах.


Вернуться к началу
 Профиль  
 
 Заголовок сообщения: Re: Вопрос по замене руля
СообщениеДобавлено: 22 дек 2011, 15:29 
Не в сети
Член клуба
Аватара пользователя

Зарегистрирован: 07 мар 2009, 15:25
Сообщения: 4103
Откуда: ВОРЗЕЛЬ
Авто: OMEGA A 3.0-OMEGA B 2.0-OMEGA A 2.0-ASCONA 2.0 cabrio (в работе)
вот еще про подушки - как по мне - это все чёс левый, хотя может на кабрике так и должно быть

_________________
In god we trust everyone - else pay cash !!!
У МЕНЯ ТЕПЕРЬ УЖЕ НЕТ АМЕРИКАНСКОЙ МАШИНЫ!!!!!!!
ЗЫЫ. Люблю жОсткое немецкое порно -желательно на видеокассетах.


Вернуться к началу
 Профиль  
 
 Заголовок сообщения: Re: Вопрос по замене руля
СообщениеДобавлено: 24 дек 2011, 12:10 
Не в сети
Член клуба
Аватара пользователя

Зарегистрирован: 20 апр 2009, 15:30
Сообщения: 3830
Авто: Mustang BlackPony
:rofl: :rofl: :rofl:


Вернуться к началу
 Профиль  
 
Показать сообщения за:  Поле сортировки  
Начать новую тему Ответить на тему  [ Сообщений: 47 ]  На страницу Пред.  1, 2, 3, 4, 5  След.


Часовой пояс: UTC + 2 часа [ Летнее время ]


Кто сейчас на конференции

Сейчас этот форум просматривают: нет зарегистрированных пользователей и гости: 2


Вы не можете начинать темы
Вы не можете отвечать на сообщения
Вы не можете редактировать свои сообщения
Вы не можете удалять свои сообщения
Вы не можете добавлять вложения

Перейти:  
cron
Дружественные проекты: Фреон для автомобилей, Оптовая продажа фреона на сайте freezeoil.com.ua.
Фреон R134a, R410A, R404A, R606a, R507. Фреоны для кондиционеров, холодильников, пожаротушения.