Detroit Clan

Украинский клуб владельцев настоящих американских автомобилей
Текущее время: 30 апр 2026, 05:03

Часовой пояс: UTC + 2 часа [ Летнее время ]


Важное сообщение! Что произошло с форумом? Все по ссылке


Интернет магазин Ваши Шины


Начать новую тему Ответить на тему  [ Сообщений: 19 ]  На страницу Пред.  1, 2
Автор Сообщение
 Заголовок сообщения: Re: GM Fan switch
СообщениеДобавлено: 15 май 2012, 12:57 
Не в сети
Герр Гюнтер
Аватара пользователя

Зарегистрирован: 04 июл 2008, 22:23
Сообщения: 11719
Откуда: Kiev
Авто: Chevrolet Camaro 5.1
RaceFace писал(а):
SuperBee писал(а):
RaceFace писал(а):
Knock Sensor від інжекторного ВАЗа тільки мені нагадує GM? :)


А разве на 2.8 есть датчик детонации???



є, у мене принаймні стоїть. правда, не підключений, бо комусь заважала проводка під капотом і коннектора немає.


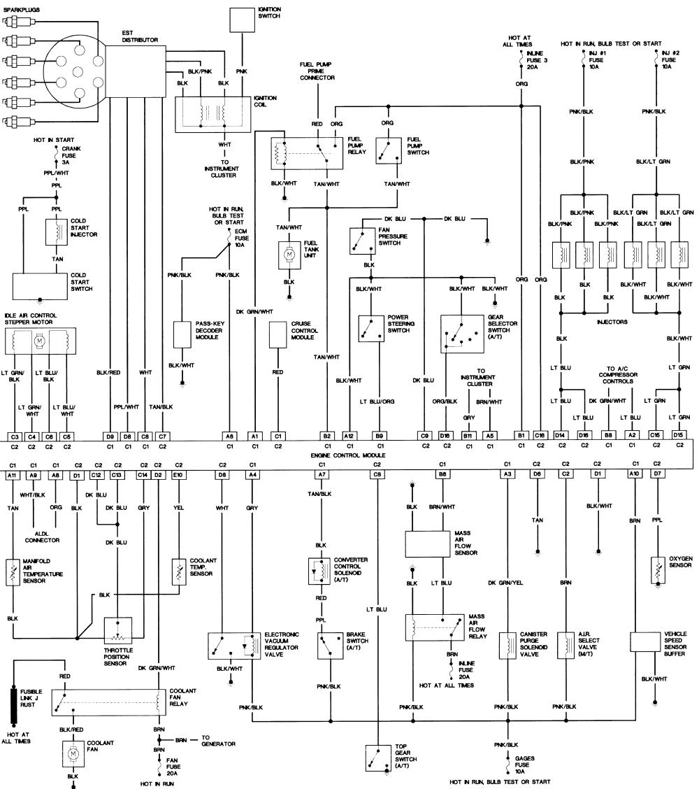
ану найди мне его на схеме где он на 2.8 стоит

Вложение:
wiring.JPG
wiring.JPG [ 155.36 КБ | Просмотров: 4017 ]



На 3.1 например он есть на схеме, вот (обвел красным)

Вложение:
3-1.JPG
3-1.JPG [ 232.71 КБ | Просмотров: 4012 ]

_________________
Изображение
Chevrolet Camaro 1988 5.1L V8 carb, T-5 ручка


Вернуться к началу
 Профиль  
 
 Заголовок сообщения: Re: GM Fan switch
СообщениеДобавлено: 15 май 2012, 15:45 
Не в сети
Немец
Аватара пользователя

Зарегистрирован: 27 июл 2010, 16:39
Сообщения: 8867
Откуда: Киев
Авто: Mercedes-Benz
Hunter писал(а):
Цитата:
Изображение


Это тебе пришел Temperature senSor. Датчик, который дает мозгам информацию о том какая температура охлаждающей жидкости в даный момент. Он стоит рядом с термостатом и рядом temperature senDEr, который движет стрелку температуры на приборке....

Этот как раз не двигает стрелку - этот включает вентилятор через мозги ;)

На стрелку приборки - одноконтактный :)

_________________
"Зиг хайль май лайф"...
Счастлив не тот, кто выбрал «правильный» путь, а тот, кто любит свою дорогу...


Вернуться к началу
 Профиль  
 
 Заголовок сообщения: Re: GM Fan switch
СообщениеДобавлено: 15 май 2012, 15:50 
Не в сети
Герр Гюнтер
Аватара пользователя

Зарегистрирован: 04 июл 2008, 22:23
Сообщения: 11719
Откуда: Kiev
Авто: Chevrolet Camaro 5.1
я так и сказал. Двухконтактный(на последнем фото) дает инфу мозгам, одноконтактный двигает стрелку

_________________
Изображение
Chevrolet Camaro 1988 5.1L V8 carb, T-5 ручка


Вернуться к началу
 Профиль  
 
 Заголовок сообщения: Re: GM Fan switch
СообщениеДобавлено: 15 май 2012, 17:31 
Не в сети
Немец
Аватара пользователя

Зарегистрирован: 27 июл 2010, 16:39
Сообщения: 8867
Откуда: Киев
Авто: Mercedes-Benz
senSor и senDEr - точно :yes: , сразу не разглядел :)

_________________
"Зиг хайль май лайф"...
Счастлив не тот, кто выбрал «правильный» путь, а тот, кто любит свою дорогу...


Вернуться к началу
 Профиль  
 
 Заголовок сообщения: Re: GM Fan switch
СообщениеДобавлено: 15 май 2012, 22:15 
Не в сети
Член клуба
Аватара пользователя

Зарегистрирован: 14 апр 2009, 15:16
Сообщения: 2866
Откуда: Kiev
Авто: Chevrolet Camaro 1988 V8 (305)
RaceFace писал(а):
SuperBee писал(а):
RaceFace писал(а):
Knock Sensor від інжекторного ВАЗа тільки мені нагадує GM? :)


А разве на 2.8 есть датчик детонации???



є, у мене принаймні стоїть. правда, не підключений, бо комусь заважала проводка під капотом і коннектора немає.


Если даже он у тебя КАКбы должен стоять, то когда он отключен светится чек энджин :hi:

_________________
Изображение
http://www.skulptor.at.ua


Вернуться к началу
 Профиль  
 
 Заголовок сообщения: Re: GM Fan switch
СообщениеДобавлено: 16 май 2012, 10:48 
Не в сети
Член клуба
Аватара пользователя

Зарегистрирован: 11 сен 2010, 15:15
Сообщения: 397
Откуда: Ів.-Франківськ
Авто: III gen F-bird V8
Hunter, у мене вкручений датчик детонації в блок! я коли займався кузовом то знімав мотор і бачив той датчик як зараз монітор.

Значить до мене хтось міняв блок і можливо він 3.1? rock

Ох, скільки ще мене чекає сюрпризів...

_________________
4-bolt main SBC 350 Vortec, milled, ported, >10:1 CR, CompCams roller camshaft, Weiand Stealth intake, Holley 650 DP carb, 1 5/8'' MAC headers, 3'' full length exhaust, MSD StreetFire HEI, A/C, 5-speed manual, Torsen diff, 3.23 gears.


Вернуться к началу
 Профиль  
 
 Заголовок сообщения: Re: GM Fan switch
СообщениеДобавлено: 16 май 2012, 10:51 
Не в сети
Член клуба
Аватара пользователя

Зарегистрирован: 11 сен 2010, 15:15
Сообщения: 397
Откуда: Ів.-Франківськ
Авто: III gen F-bird V8
SuperBee писал(а):
Knock Sensor від інжекторного ВАЗа тільки мені нагадує GM? :)

Если даже он у тебя КАКбы должен стоять, то когда он отключен светится чек энджин :hi:[/quote]



у мене світиться engine service soon.

_________________
4-bolt main SBC 350 Vortec, milled, ported, >10:1 CR, CompCams roller camshaft, Weiand Stealth intake, Holley 650 DP carb, 1 5/8'' MAC headers, 3'' full length exhaust, MSD StreetFire HEI, A/C, 5-speed manual, Torsen diff, 3.23 gears.


Вернуться к началу
 Профиль  
 
 Заголовок сообщения: Re: GM Fan switch
СообщениеДобавлено: 16 май 2012, 10:57 
Не в сети
Герр Гюнтер
Аватара пользователя

Зарегистрирован: 04 июл 2008, 22:23
Сообщения: 11719
Откуда: Kiev
Авто: Chevrolet Camaro 5.1
RaceFace писал(а):
SuperBee писал(а):
Если даже он у тебя КАКбы должен стоять, то когда он отключен светится чек энджин :hi:




у мене світиться engine service soon.


так проверь скрепкой по какой причине светится. Замкни в диагностическом разъеме под рулем крайние правые верхние 2 контакта, поверни замок зажигания, не заводя мотор и посчитай сколько раз и в какой последовательности блымнет лампочка service engine soon (ses), правда это лоховской способ с морзянкой. Крутые потсоны проверяют сканером или ноутбуком :pazan: :hahaha:

навскидку скажу у тебя скорее всего будет нерабочий EGR (code 32) , тоесть мигнет 1 раз пауза 2 раза ( 12 это всегда мигает - норма) 3 раза, а потом 2 пауза 3 ( код 32) тоже 3 раза, потом с начала по второму кругу. Если какието другие коды ещё будут, то это уже дает более полезную инфу

блок у тебя вряде 3.1, я думаю что в некоторых 2.8 стоит с завода отключеный knock sensor, звучит тупо, но по крайней мере на thirdgen.org я видел такие предположения

_________________
Изображение
Chevrolet Camaro 1988 5.1L V8 carb, T-5 ручка


Вернуться к началу
 Профиль  
 
 Заголовок сообщения: Re: GM Fan switch
СообщениеДобавлено: 16 май 2012, 11:39 
Не в сети
Член клуба
Аватара пользователя

Зарегистрирован: 11 сен 2010, 15:15
Сообщения: 397
Откуда: Ів.-Франківськ
Авто: III gen F-bird V8
Hunter писал(а):
RaceFace писал(а):
SuperBee писал(а):
Если даже он у тебя КАКбы должен стоять, то когда он отключен светится чек энджин :hi:




у мене світиться engine service soon.


так проверь скрепкой по какой причине светится. Замкни в диагностическом разъеме под рулем крайние правые верхние 2 контакта, поверни замок зажигания, не заводя мотор и посчитай сколько раз и в какой последовательности блымнет лампочка service engine soon (ses), правда это лоховской способ с морзянкой. Крутые потсоны проверяют сканером или ноутбуком :pazan: :hahaha:

навскидку скажу у тебя скорее всего будет нерабочий EGR (code 32) , тоесть мигнет 1 раз пауза 2 раза ( 12 это всегда мигает - норма) 3 раза, а потом 2 пауза 3 ( код 32) тоже 3 раза, потом с начала по второму кругу. Если какието другие коды ещё будут, то это уже дает более полезную инфу

блок у тебя вряде 3.1, я думаю что в некоторых 2.8 стоит с завода отключеный knock sensor, звучит тупо, но по крайней мере на thirdgen.org я видел такие предположения



дякую за інфу!
EGR у мене взагалі нема, стоять заглушки на місцях кріплення системи.

я до проводки мотора полізу десь через місяць, зараз в планах перебрати міст і всю ходову з гальмами, запчастини вже у мене.

_________________
4-bolt main SBC 350 Vortec, milled, ported, >10:1 CR, CompCams roller camshaft, Weiand Stealth intake, Holley 650 DP carb, 1 5/8'' MAC headers, 3'' full length exhaust, MSD StreetFire HEI, A/C, 5-speed manual, Torsen diff, 3.23 gears.


Вернуться к началу
 Профиль  
 
Показать сообщения за:  Поле сортировки  
Начать новую тему Ответить на тему  [ Сообщений: 19 ]  На страницу Пред.  1, 2


Часовой пояс: UTC + 2 часа [ Летнее время ]


Кто сейчас на конференции

Сейчас этот форум просматривают: нет зарегистрированных пользователей и гости: 5


Вы не можете начинать темы
Вы не можете отвечать на сообщения
Вы не можете редактировать свои сообщения
Вы не можете удалять свои сообщения
Вы не можете добавлять вложения

Перейти:  
cron
Дружественные проекты: Фреон для автомобилей, Оптовая продажа фреона на сайте freezeoil.com.ua.
Фреон R134a, R410A, R404A, R606a, R507. Фреоны для кондиционеров, холодильников, пожаротушения.