Detroit Clan

Украинский клуб владельцев настоящих американских автомобилей
Текущее время: 22 окт 2025, 02:03

Часовой пояс: UTC + 2 часа [ Летнее время ]


Важное сообщение! Что произошло с форумом? Все по ссылке


Интернет магазин Ваши Шины


Начать новую тему Ответить на тему  [ Сообщений: 68 ]  На страницу Пред.  1 ... 3, 4, 5, 6, 7
Автор Сообщение
СообщениеДобавлено: 01 мар 2010, 13:24 
Не в сети
Член клуба
Аватара пользователя

Зарегистрирован: 27 фев 2009, 19:15
Сообщения: 2317
Откуда: Киев
Авто: Cadillac Seville STS, Toyota Avensis.
Погибли JeepCherokee Opel Monza GSE
У меня в вольво LOW COOLANT (там иначе пишет) тоже горит постоянно уже 2 года. Датчик менял, еще какую-то хрень - пох.. Уже свыкся и не парюсь.
Про трусит и глохнет - в кади недавно аналогичное началось - пока обнаружилась мертвая форсунка. Как сменю (нашел б\у) сообщу дальнейший ход событий.


Вернуться к началу
 Профиль  
 
СообщениеДобавлено: 01 мар 2010, 13:31 
Не в сети
Член клуба
Аватара пользователя

Зарегистрирован: 26 фев 2010, 09:33
Сообщения: 159
Откуда: Белая Церковь
Авто: Volkswagen Touareg 2003 5.0L V10, SMART ForTwo 1999 0,6L
Денябрик писал(а):
Попробуй отключить датчик уровня охлаждающей жидкости. Возможно перестанет трусить мотор. У меня такое было.
Вентиляторы тебе скорее всего подсоединили напрямую от зажигания, проверь проводку.
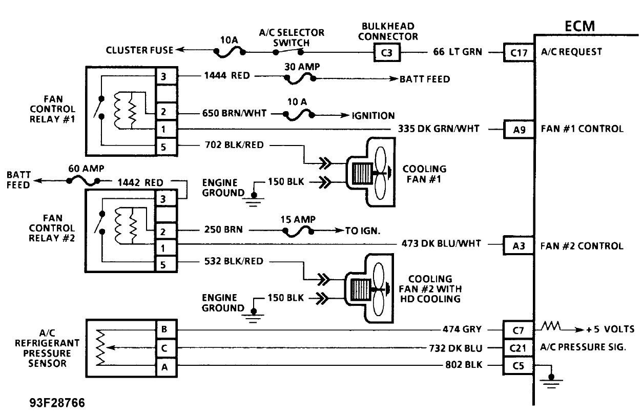
Я тоже так думаю. Вот схемы:

Вложение:
cooling.jpg
cooling.jpg [ 96.41 КБ | Просмотров: 2876 ]


Вложение:
cooling2.jpg
cooling2.jpg [ 156.45 КБ | Просмотров: 2876 ]


А управляет вентиляторами Engine Control Module (EMC). Насколько я понял, при 106 градусах должен включаться первый вентилятор, а при 108 градусах второй.

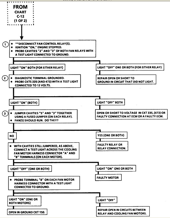
Рекомендуется такая последовательность поиска неисправности, но это если вентиляторы не работают:

Вложение:
cooling3.jpg
cooling3.jpg [ 126.19 КБ | Просмотров: 2876 ]


Денябрик писал(а):
Вентиляторы, кстати, работают от датчика температуры. У тя их два. Если не показывает температуру - возможно накрылся датчик, соответственно вентиляторы не включались.
При беглом осмотре датчик не обнаружил там, где он должен находиться. Может радиатор не родной.

Денябрик писал(а):
Далее, проверь вакуумную трубочку на МАП сенсор, если у неё пробой или она просто слетела , мотор по ощущениям троит и жрёт литров 15 бенза.
Короче, там половина всего барахла работает на вакууме, так что сразу либо проверь, либо поменяй трубочки)
Посмотрю.


Вернуться к началу
 Профиль  
 
СообщениеДобавлено: 01 мар 2010, 17:53 
Не в сети
Член клуба

Зарегистрирован: 24 янв 2009, 23:22
Сообщения: 2569
Откуда: Киев
Авто: Chevrolet Caprice, 4.3 1994г.в.
IVOL
Там датчики не на радиаторе а около термостата))))
Датчик уровня охлаждающей жидкости мог коротнуть (у меня такое было), чем вызвать уменьшение напряжения в сети, соответственно неправильные данные идут в комп... короче, глючит всё.
По поводу расхода - у меня в 2.0 Эстаре пишет 25-37 в тянучке на 1-2 передаче... А реально берёт 12л/100 км.
Там скорее всего пишется моментальный, который считывает показания спидометра, а так как ты ездиш в основном не быстро, расход пишет огромный. На скорости 100 должен показать около 8л.
Вытащи датчик холостого хода, поклацай зажиганием, посмотри как он ходит, может клинит где-то и ты глохнеш.
Проверь форсунки, возможно резинки ссохлись и воздух подсасывает. Может вообще не твои стоят...
Интересно, а рессора у тя оригинал?)))


Вернуться к началу
 Профиль  
 
СообщениеДобавлено: 01 мар 2010, 23:21 
Не в сети
Член клуба

Зарегистрирован: 14 фев 2009, 22:09
Сообщения: 10042
Откуда: Киев
Авто: Бывший : Pontiac Grand Prix
[quote="Денябрик"]IVOL
Там датчики не на радиаторе а около термостата))))
Датчик уровня охлаждающей жидкости мог коротнуть (у меня такое было), чем вызвать уменьшение напряжения в сети, соответственно неправильные данные идут в комп... короче, глючит всё.
По поводу расхода - у меня в 2.0 Эстаре пишет 25-37 в тянучке на 1-2 передаче... А реально берёт 12л/100 км.
Там скорее всего пишется моментальный, который считывает показания спидометра, а так как ты ездиш в основном не быстро, расход пишет огромный. На скорости 100 должен показать около 8л.
Вытащи датчик холостого хода, поклацай зажиганием, посмотри как он ходит, может клинит где-то и ты глохнеш.
Проверь форсунки, возможно резинки ссохлись и воздух подсасывает. Может вообще не твои стоят...
Интересно, а рессора у тя оригинал?)))[/quote

у него там 2 функции:
мгновенный и средний расход, врядли он их путает.
С low coolant у тебя выход один : купить новый датчик 70 у.е. (об этой проблеме говорят почти на всех американских сайтах). За эти же деньги можно купить свечи и провода, потому как трусит мотор, и начинать надо с самого простого, ибо даже если у тебя что-то с форсунками, то и свечи там уже подходят.


Вернуться к началу
 Профиль  
 
СообщениеДобавлено: 01 мар 2010, 23:30 
Не в сети
Член клуба

Зарегистрирован: 14 фев 2009, 22:09
Сообщения: 10042
Откуда: Киев
Авто: Бывший : Pontiac Grand Prix
И еще, долго ты будешь париться так выискивая беду.
БЦ не так далеко, договорись с ребятами на СТО (я бы порекоменловал Серегу на Лукьновке), не очень чисто, но плюсы в том что на месте есть куча всего б/у, если у тебя датчик холостого хода не работает,можно поставить у Сереги рабочий (он со своей машины снимал - добрый дядька), так же датчик температуры, МАП и т.д.
Все увидишь, будешь знать где что находится. Жаль он комп не посмотрит.
Но опять же это будет пустая трата времени, если ты не уверен что у тебя работают все свечи.


Вернуться к началу
 Профиль  
 
СообщениеДобавлено: 02 мар 2010, 09:54 
Не в сети
Член клуба
Аватара пользователя

Зарегистрирован: 26 фев 2010, 09:33
Сообщения: 159
Откуда: Белая Церковь
Авто: Volkswagen Touareg 2003 5.0L V10, SMART ForTwo 1999 0,6L
shurup писал(а):
И еще, долго ты будешь париться так выискивая беду.
БЦ не так далеко, договорись с ребятами на СТО (я бы порекоменловал Серегу на Лукьновке), не очень чисто, но плюсы в том что на месте есть куча всего б/у, если у тебя датчик холостого хода не работает,можно поставить у Сереги рабочий (он со своей машины снимал - добрый дядька), так же датчик температуры, МАП и т.д.
Все увидишь, будешь знать где что находится. Жаль он комп не посмотрит.
Но опять же это будет пустая трата времени, если ты не уверен что у тебя работают все свечи.

Ну, не то чтобы я парился, но проблемы есть и нужно их решать. Пока накапливаю информацию. Станет потеплее - залезу под капот и начну тщательную ревизию (уже видел один провод обрезанный и обмотанный изолентой). Но самая главная проблема - ВРЕМЯ. Его вечно не хватает, две работы. Поэтому я не исключаю вариант поездки в Киев для толковой диагностики. Я готов заплатить за знания и опыт мастеру. Сам зарабатываю мозгами.
Но разбираться в своём автомобиле хочется по максимуму, поэтому и пришёл на этот форум. Я свою шестёрку сам разбирал до последней гайки и собирал (правда уже с кумом), движок капиталил. Понтиак машина более сложная, поэтому разбираться с ней интересней.


Вернуться к началу
 Профиль  
 
СообщениеДобавлено: 03 мар 2010, 19:14 
Не в сети
Член клуба
Аватара пользователя

Зарегистрирован: 26 авг 2008, 11:22
Сообщения: 3492
Откуда: Lviv
Авто: Buick Regal 1988 2.8l
Велкам ту Львів. Рішимо проблеми по діагносу.
Понтиак не более сложная чем Буцик :drinks: :drinks: :drinks:

_________________
...друзі,
..........................
в мене нема ваших адрес...


Вернуться к началу
 Профиль  
 
СообщениеДобавлено: 04 мар 2010, 18:35 
Не в сети
Член клуба
Аватара пользователя

Зарегистрирован: 27 фев 2009, 19:15
Сообщения: 2317
Откуда: Киев
Авто: Cadillac Seville STS, Toyota Avensis.
Погибли JeepCherokee Opel Monza GSE
Дальнейший ход событий: :crazy:
Трусит мотор - катушка+коммутатор, провода, свечи, форсунки или уже сам мотор. У меня оказалось катушка подпалила контакт с коммутатором и проводом, форсунка пошла вслед за ними. Все в 7-м цилиндре. Диагностировали Tech2 с перестановкой "виновников" по цилиндрам.
С катушкой понятно - new, скоро сообщат что с коммутатором (подлежит ли восстановлению), форсунка найдена б\у (выбирали из 4-х на стенде).


Вернуться к началу
 Профиль  
 
Показать сообщения за:  Поле сортировки  
Начать новую тему Ответить на тему  [ Сообщений: 68 ]  На страницу Пред.  1 ... 3, 4, 5, 6, 7


Часовой пояс: UTC + 2 часа [ Летнее время ]


Кто сейчас на конференции

Сейчас этот форум просматривают: нет зарегистрированных пользователей и гости: 15


Вы не можете начинать темы
Вы не можете отвечать на сообщения
Вы не можете редактировать свои сообщения
Вы не можете удалять свои сообщения
Вы не можете добавлять вложения

Перейти:  
cron
Дружественные проекты: Фреон для автомобилей, Оптовая продажа фреона на сайте freezeoil.com.ua.
Фреон R134a, R410A, R404A, R606a, R507. Фреоны для кондиционеров, холодильников, пожаротушения.