Detroit Clan

Украинский клуб владельцев настоящих американских автомобилей
Текущее время: 06 ноя 2025, 13:25

Часовой пояс: UTC + 2 часа [ Летнее время ]


Важное сообщение! Что произошло с форумом? Все по ссылке


Интернет магазин Ваши Шины


Начать новую тему Ответить на тему  [ Сообщений: 4 ] 
Автор Сообщение
СообщениеДобавлено: 18 июн 2013, 21:25 
Не в сети
Член клуба
Аватара пользователя

Зарегистрирован: 11 июн 2008, 15:13
Сообщения: 23218
Авто: Nissan Leaf 12
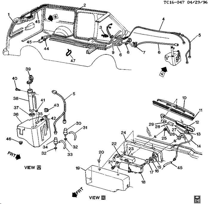
при очередной мойке улетела . новая идет только в сборе с дворником а он и так новый . номер 28 на рисунке


Вложения:
g044e35ddba9b9a7a5ff427250d73485c.png
g044e35ddba9b9a7a5ff427250d73485c.png [ 50.37 КБ | Просмотров: 1507 ]
Вернуться к началу
 Профиль  
 
СообщениеДобавлено: 18 июн 2013, 21:40 
Не в сети
Член клуба
Аватара пользователя

Зарегистрирован: 21 окт 2011, 22:32
Сообщения: 12040
Авто: ...
Капитан Улитка писал(а):
при очередной мойке улетела . новая идет только в сборе с дворником а он и так новый . номер 28 на рисунке

У меня есть вместе с дворником , я ж стекло расхренячил .А ты мне тоже сделай услугу -найди ремкомплект моей коробки в Украине или х/з может отдать в УЦТ пущай сделают ,что думаешь ,а то не дам :pirate: я злобный .Ты меня расстроил не приехал на свидание :rofl: :facepalm

_________________
Изображение

для тех, кто задает вопросы «Почему нужно жить?» и «Зачем все это нужно?» нет возможности получить счастье. По крайней мере так просто, как другим людям.


Вернуться к началу
 Профиль  
 
СообщениеДобавлено: 18 июн 2013, 23:02 
Не в сети
Член клуба
Аватара пользователя

Зарегистрирован: 06 дек 2009, 22:54
Сообщения: 6891
Откуда: Полтава
Авто: Ford Crown Victoria Lx
Chevrolet Caprice Classic Brougham BMW E39
Какой?
AXOD a?


Вернуться к началу
 Профиль  
 
СообщениеДобавлено: 19 июн 2013, 00:29 
Не в сети
Член клуба
Аватара пользователя

Зарегистрирован: 03 июн 2009, 20:21
Сообщения: 1400
Откуда: Киев
Авто: GMC Suburban, 4x4, 5.7 Vortec; Chevrolet Tahoe, 4х4, 5dr, 6.0TBI
Капитан Улитка писал(а):
при очередной мойке улетела . новая идет только в сборе с дворником а он и так новый . номер 28 на рисунке

набери завтра.

_________________
Изображение


Вернуться к началу
 Профиль  
 
Показать сообщения за:  Поле сортировки  
Начать новую тему Ответить на тему  [ Сообщений: 4 ] 


Часовой пояс: UTC + 2 часа [ Летнее время ]


Кто сейчас на конференции

Сейчас этот форум просматривают: нет зарегистрированных пользователей и гости: 10


Вы не можете начинать темы
Вы не можете отвечать на сообщения
Вы не можете редактировать свои сообщения
Вы не можете удалять свои сообщения
Вы не можете добавлять вложения

Перейти:  
cron
Дружественные проекты: Фреон для автомобилей, Оптовая продажа фреона на сайте freezeoil.com.ua.
Фреон R134a, R410A, R404A, R606a, R507. Фреоны для кондиционеров, холодильников, пожаротушения.