Detroit Clan

Украинский клуб владельцев настоящих американских автомобилей
Текущее время: 22 мар 2026, 14:58

Часовой пояс: UTC + 2 часа [ Летнее время ]


Важное сообщение! Что произошло с форумом? Все по ссылке


Интернет магазин Ваши Шины


Начать новую тему Ответить на тему  [ Сообщений: 4 ] 
Автор Сообщение
 Заголовок сообщения: Куплю кнопки
СообщениеДобавлено: 10 июл 2012, 21:28 
Не в сети
Член клуба
Аватара пользователя

Зарегистрирован: 04 дек 2009, 16:08
Сообщения: 2607
Откуда: Киев,Троещина
Авто: Pontiac Fierbird 5.7, Oldsmobile 98
Вот может есть у кого такие как на фото (ведь не только на фаерах их ставили), я думаю что на других гм они где то встречаются. Для инфо это кнопки управления водительским сидением.


Вложения:
P1010106.JPG
P1010106.JPG [ 591.58 КБ | Просмотров: 2280 ]

_________________
У каждого своих секреты. Кто-то нюхает кокаин, кто-то убивает людей. Я небезопасно извлекаю флешки.
Вернуться к началу
 Профиль  
 
 Заголовок сообщения: Re: Куплю кнопки
СообщениеДобавлено: 16 июл 2012, 09:44 
Не в сети
Член клуба
Аватара пользователя

Зарегистрирован: 28 янв 2010, 17:34
Сообщения: 815
Откуда: Lvіv
Авто: LeBaron Кабрио: белоснежный 2,5 Turbo и красненький 2,5 TBI, оба 90г, Town Country 3,3 95г и т. д.
На фаеры с 2000 г переключатели сидения водителя(они на приложеном рисунке) шли как раз такие же как и доджы-караваны, и функции и внешний вид... Может только сами разъёмы подключения могут быть немного разные... Паша, сфоткай с другой стороны у своих кнопок разъёмы подключения (папа-мама), нужно посравнивать! Так что если чуть-чуть побавится, то можно ставить! Разводка и цвет проводов у меня есть и на Фаер 2000 и Фаер 2002 и на Додж-Караван...


Вложения:
a9261ae3.JPG
a9261ae3.JPG [ 56.24 КБ | Просмотров: 2118 ]

_________________
Изображение
Chevy Truck 5,7 х 6,0 х 6,2 Некультурно длинючий...)))
Вернуться к началу
 Профиль  
 
 Заголовок сообщения: Re: Куплю кнопки
СообщениеДобавлено: 01 авг 2012, 18:50 
Не в сети
Член клуба
Аватара пользователя

Зарегистрирован: 28 янв 2010, 17:34
Сообщения: 815
Откуда: Lvіv
Авто: LeBaron Кабрио: белоснежный 2,5 Turbo и красненький 2,5 TBI, оба 90г, Town Country 3,3 95г и т. д.
Здесь распиновка на кнопки Доджа...


Вложения:
8e5b_19.JPG
8e5b_19.JPG [ 165.42 КБ | Просмотров: 2045 ]

_________________
Изображение
Chevy Truck 5,7 х 6,0 х 6,2 Некультурно длинючий...)))
Вернуться к началу
 Профиль  
 
 Заголовок сообщения: Re: Куплю кнопки
СообщениеДобавлено: 01 авг 2012, 18:56 
Не в сети
Член клуба
Аватара пользователя

Зарегистрирован: 28 янв 2010, 17:34
Сообщения: 815
Откуда: Lvіv
Авто: LeBaron Кабрио: белоснежный 2,5 Turbo и красненький 2,5 TBI, оба 90г, Town Country 3,3 95г и т. д.
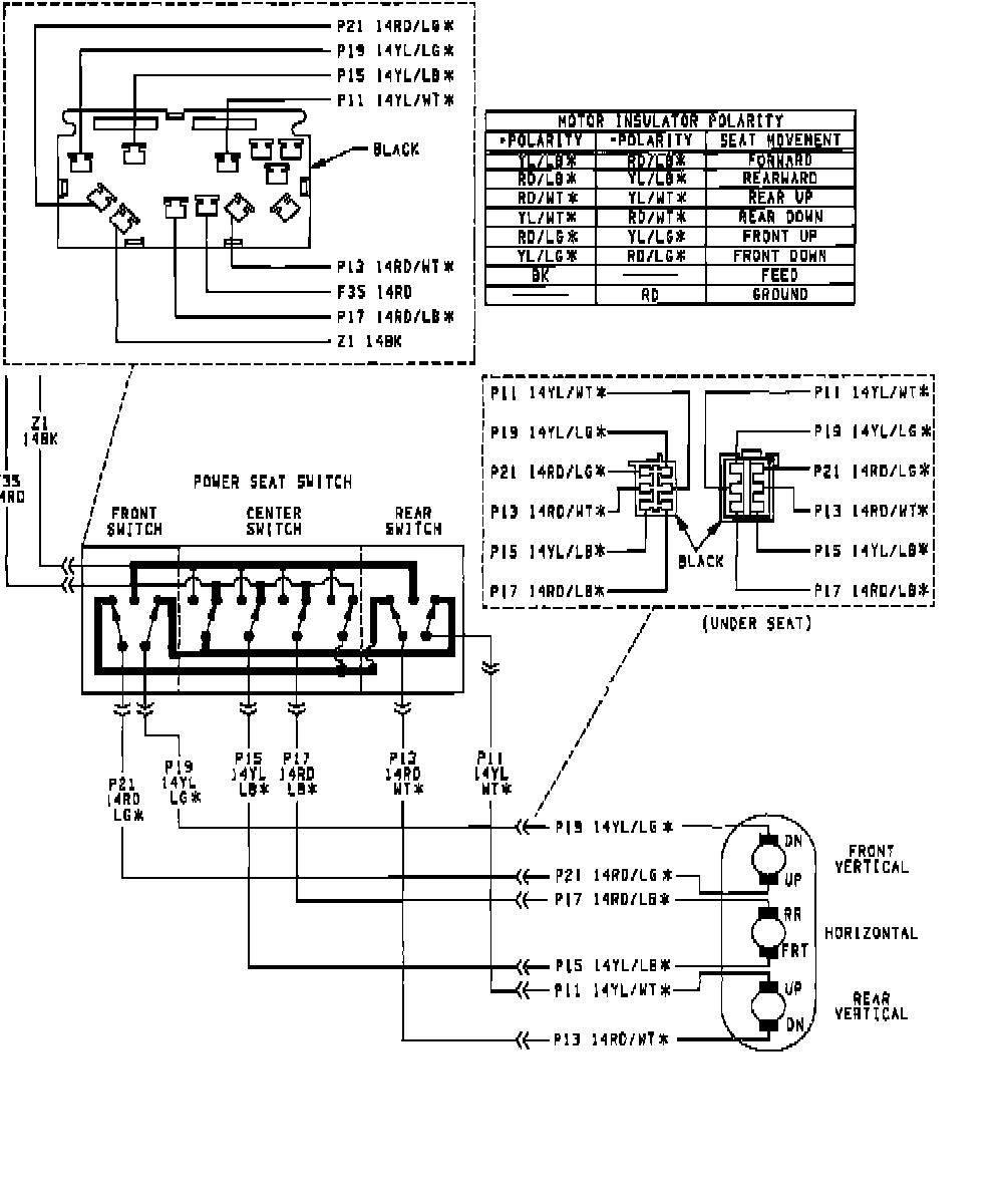
А здесь распиновка кнопок на Твой Фаер - одна на старые кнопки, а другая на новые кнопки, разберёшся какая схема на какие кнопки...


Вложения:
8e5b_159.JPG
8e5b_159.JPG [ 138.96 КБ | Просмотров: 2045 ]
8e5b_149.JPG
8e5b_149.JPG [ 124.36 КБ | Просмотров: 2045 ]

_________________
Изображение
Chevy Truck 5,7 х 6,0 х 6,2 Некультурно длинючий...)))
Вернуться к началу
 Профиль  
 
Показать сообщения за:  Поле сортировки  
Начать новую тему Ответить на тему  [ Сообщений: 4 ] 


Часовой пояс: UTC + 2 часа [ Летнее время ]


Кто сейчас на конференции

Сейчас этот форум просматривают: нет зарегистрированных пользователей и гости: 12


Вы не можете начинать темы
Вы не можете отвечать на сообщения
Вы не можете редактировать свои сообщения
Вы не можете удалять свои сообщения
Вы не можете добавлять вложения

Перейти:  
cron
Дружественные проекты: Фреон для автомобилей, Оптовая продажа фреона на сайте freezeoil.com.ua.
Фреон R134a, R410A, R404A, R606a, R507. Фреоны для кондиционеров, холодильников, пожаротушения.