Detroit Clan

Украинский клуб владельцев настоящих американских автомобилей
Текущее время: 29 окт 2025, 02:59

Часовой пояс: UTC + 2 часа [ Летнее время ]


Важное сообщение! Что произошло с форумом? Все по ссылке


Интернет магазин Ваши Шины


Начать новую тему Ответить на тему  [ Сообщений: 18 ]  На страницу 1, 2  След.
Автор Сообщение
 Заголовок сообщения: забарыжу AC Delco 45G8020/ GM 88912526
СообщениеДобавлено: 25 сен 2012, 20:15 
Не в сети
Док

Зарегистрирован: 05 янв 2010, 22:55
Сообщения: 6499
Авто: большой
продам новые ЧЕТЫРЕ втулки
AC Delco 45G8020/ GM 88912526
Индия

$15 за каждый, торг, желательно купить все четыре.
Подходят на Шеви/Кадиллу/Олдс/Понтиак/Бьюик

без подводных камней-оказались лишние, т.к. эти же втулки идут в комплекте с шафтами верхних рычагов


Вернуться к началу
 Профиль  
 
 Заголовок сообщения: Re: забарыжу AC Delco 45G8020/ GM 88912526
СообщениеДобавлено: 25 сен 2012, 20:59 
Не в сети
Член клуба
Аватара пользователя

Зарегистрирован: 21 окт 2010, 10:28
Сообщения: 569
Откуда: киев
Авто: cadillac seville 92. 4,9. hyundai matrix crdi
Может надо. А шо это, куда? К сожалению, ограничен с нэтом.

_________________
Эх, поднять бы уровень жизни с прожиточного до зажиточного!


Вернуться к началу
 Профиль  
 
 Заголовок сообщения: Re: забарыжу AC Delco 45G8020/ GM 88912526
СообщениеДобавлено: 25 сен 2012, 22:29 
Не в сети
Док

Зарегистрирован: 05 янв 2010, 22:55
Сообщения: 6499
Авто: большой
сайлент блоки на передние верхние рычаги, передний и задний.
но на севилль 92 они не подходят.


Последний раз редактировалось alexgrig 25 сен 2012, 22:31, всего редактировалось 1 раз.

Вернуться к началу
 Профиль  
 
 Заголовок сообщения: Re: забарыжу AC Delco 45G8020/ GM 88912526
СообщениеДобавлено: 25 сен 2012, 22:30 
Не в сети
Член клуба
Аватара пользователя

Зарегистрирован: 11 июн 2008, 15:13
Сообщения: 23218
Авто: Nissan Leaf 12
лишние или не поставил ?


Вернуться к началу
 Профиль  
 
 Заголовок сообщения: Re: забарыжу AC Delco 45G8020/ GM 88912526
СообщениеДобавлено: 25 сен 2012, 22:32 
Не в сети
Док

Зарегистрирован: 05 янв 2010, 22:55
Сообщения: 6499
Авто: большой
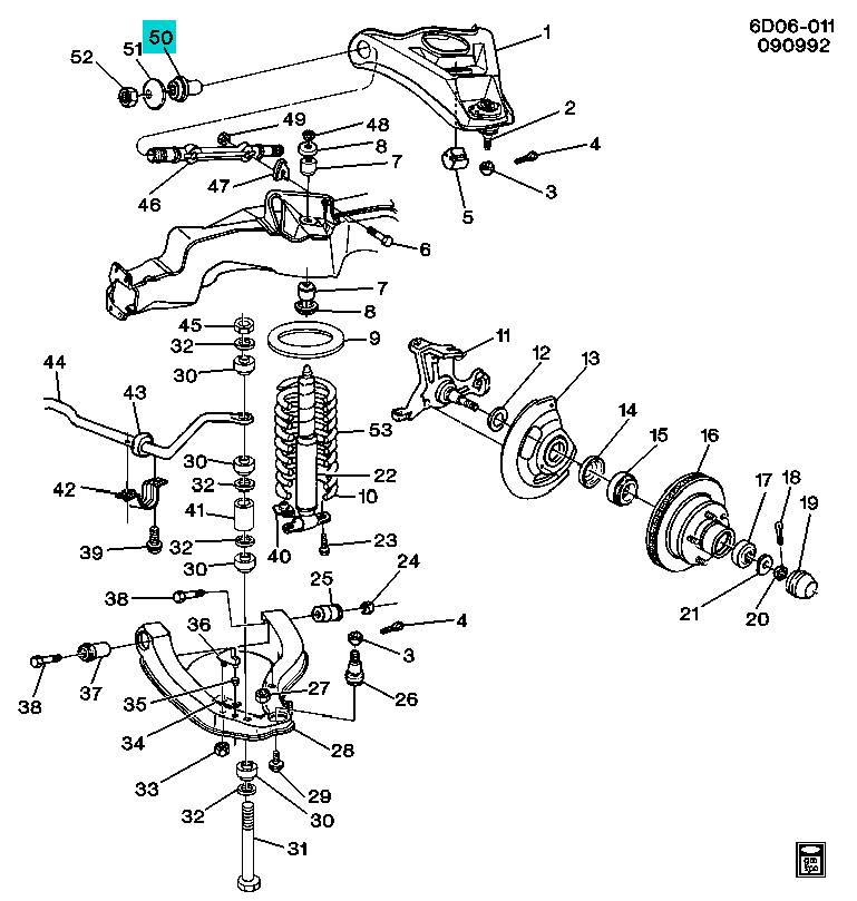
лишние-куплены отдельно еще весной.А в четверг пришли шафты , там втулки в комплекте.

Вложение:
0.jpg
0.jpg [ 93.96 КБ | Просмотров: 4323 ]


Последний раз редактировалось alexgrig 25 сен 2012, 22:34, всего редактировалось 1 раз.

Вернуться к началу
 Профиль  
 
 Заголовок сообщения: Re: забарыжу AC Delco 45G8020/ GM 88912526
СообщениеДобавлено: 25 сен 2012, 22:33 
Не в сети
Член клуба
Аватара пользователя

Зарегистрирован: 11 июн 2008, 15:13
Сообщения: 23218
Авто: Nissan Leaf 12
почем все отдашь ? и номера с/б можно ?


Вернуться к началу
 Профиль  
 
 Заголовок сообщения: Re: забарыжу AC Delco 45G8020/ GM 88912526
СообщениеДобавлено: 25 сен 2012, 22:35 
Не в сети
Док

Зарегистрирован: 05 янв 2010, 22:55
Сообщения: 6499
Авто: большой
номера с/б -это что такое?

перепаковал по две втулки в две коробки, если надо , могу сфоткать остальные две, достану из мусорного ведра.
продавались они одна втулка в одной коробке.

цена их была в киеве по $14 каждый.
так что торгуемся от 15... :pirate:
Вложение:
IMG_2808.jpg
IMG_2808.jpg [ 293.49 КБ | Просмотров: 4311 ]


Вернуться к началу
 Профиль  
 
 Заголовок сообщения: Re: забарыжу AC Delco 45G8020/ GM 88912526
СообщениеДобавлено: 26 сен 2012, 09:18 
Не в сети
Член клуба
Аватара пользователя

Зарегистрирован: 09 май 2010, 09:01
Сообщения: 502
Откуда: Киев
Авто: PTS, Chevrolet Astro Mark III
alexgrig писал(а):
номера с/б -это что такое?

перепаковал по две втулки в две коробки, если надо , могу сфоткать остальные две, достану из мусорного ведра.
продавались они одна втулка в одной коробке.

цена их была в киеве по $14 каждый.
так что торгуемся от 15... :pirate:
Вложение:
IMG_2808.jpg


Блин, не могу "пробить" - подходят ли мне на ПТС. :( Если да, то заинтересован. :hi:

_________________
"Всё будет именно так, как должно было бы быть - даже если будет иначе!"
http://www.djentelmen.in.ua


Вернуться к началу
 Профиль  
 
 Заголовок сообщения: Re: забарыжу AC Delco 45G8020/ GM 88912526
СообщениеДобавлено: 26 сен 2012, 09:48 
Не в сети
Член клуба
Аватара пользователя

Зарегистрирован: 11 июн 2008, 15:13
Сообщения: 23218
Авто: Nissan Leaf 12
мне подходят . е буду забирать


Вернуться к началу
 Профиль  
 
 Заголовок сообщения: Re: забарыжу AC Delco 45G8020/ GM 88912526
СообщениеДобавлено: 26 сен 2012, 10:58 
Не в сети
Док

Зарегистрирован: 05 янв 2010, 22:55
Сообщения: 6499
Авто: большой
http://parts-catalog.acdelco.com/catalo ... _check.php
вбиваете номер и смотрите Vehicle list
или киньте ВИН.

в общем решайте между собой, мне все равно кому продать :drinks: Доставка товара по Киеву (на флите) цена $60 за комплект.
Самовывоз-торг.


Вернуться к началу
 Профиль  
 
Показать сообщения за:  Поле сортировки  
Начать новую тему Ответить на тему  [ Сообщений: 18 ]  На страницу 1, 2  След.


Часовой пояс: UTC + 2 часа [ Летнее время ]


Кто сейчас на конференции

Сейчас этот форум просматривают: нет зарегистрированных пользователей и гости: 10


Вы не можете начинать темы
Вы не можете отвечать на сообщения
Вы не можете редактировать свои сообщения
Вы не можете удалять свои сообщения
Вы не можете добавлять вложения

Перейти:  
cron
Дружественные проекты: Фреон для автомобилей, Оптовая продажа фреона на сайте freezeoil.com.ua.
Фреон R134a, R410A, R404A, R606a, R507. Фреоны для кондиционеров, холодильников, пожаротушения.