Detroit Clan

Украинский клуб владельцев настоящих американских автомобилей
Текущее время: 20 мар 2026, 18:23

Часовой пояс: UTC + 2 часа [ Летнее время ]


Важное сообщение! Что произошло с форумом? Все по ссылке


Интернет магазин Ваши Шины


Начать новую тему Ответить на тему  [ Сообщений: 499 ]  На страницу Пред.  1 ... 22, 23, 24, 25, 26, 27, 28 ... 50  След.
Автор Сообщение
 Заголовок сообщения: Re: Buick Park Avenue
СообщениеДобавлено: 30 окт 2012, 14:13 
Не в сети
Член клуба
Аватара пользователя

Зарегистрирован: 26 мар 2010, 20:16
Сообщения: 3980
Откуда: Житомирская обл.
Авто: Buick Park Avenue and Твария
Дякую, Ростіслав :drinks:

_________________
Ошибки юности легко сходили с рук.
Ах, молодость, - волшебный звук свирели.
Мы часто под собой пилили сук.
Теперь и мы не те, и суки постарели.


Вернуться к началу
 Профиль  
 
 Заголовок сообщения: Re: Buick Park Avenue
СообщениеДобавлено: 30 окт 2012, 21:18 
Не в сети
Член клуба
Аватара пользователя

Зарегистрирован: 26 мар 2010, 20:16
Сообщения: 3980
Откуда: Житомирская обл.
Авто: Buick Park Avenue and Твария
А воз и ныне там :(
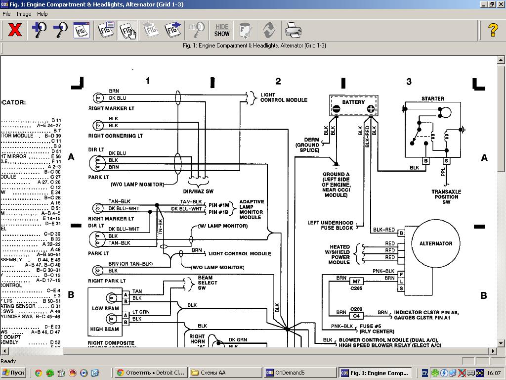
Не буду все описывать, заводилась, опять не заводиться... Обнаружена проблема - от замка зажигания нет питания до шифтера, питание обрывается в перегородке моторного отсека. Место это не самое удобное, вернее совсем не удобное - оно находиться за педалью ножника, отсюда вопрос:
- через моторный отсек входит ЦЕЛЫЙ жгут проводов в салон, или он соединяется ЧЕРЕЗ фишку??? (тогда есть вероятность того, что нет контакта в самой фишке). Если кто нибудь даст схему, тогда можно будет не разбирать всю эту лабуду, а продублировать эти четыре провода, что бы своим ходом приехать в гараж.

_________________
Ошибки юности легко сходили с рук.
Ах, молодость, - волшебный звук свирели.
Мы часто под собой пилили сук.
Теперь и мы не те, и суки постарели.


Вернуться к началу
 Профиль  
 
 Заголовок сообщения: Re: Buick Park Avenue
СообщениеДобавлено: 01 ноя 2012, 17:28 
Не в сети
Член клуба
Аватара пользователя

Зарегистрирован: 07 мар 2009, 15:25
Сообщения: 4103
Откуда: ВОРЗЕЛЬ
Авто: OMEGA A 3.0-OMEGA B 2.0-OMEGA A 2.0-ASCONA 2.0 cabrio (в работе)
Какие схемы тебе нужны?
Слева , насколько я помню , фишки нет , большой блок разЪемов идет по правой стороне. Но туда лезть не спеши.
Вот , что нарыл, думаю поможет.
Если что - пиши, звони.
Вложение:
1.JPG
1.JPG [ 155.32 КБ | Просмотров: 2939 ]

Вложение:
2.JPG
2.JPG [ 150.05 КБ | Просмотров: 2939 ]

Вложение:
3.JPG
3.JPG [ 142.43 КБ | Просмотров: 2939 ]

_________________
In god we trust everyone - else pay cash !!!
У МЕНЯ ТЕПЕРЬ УЖЕ НЕТ АМЕРИКАНСКОЙ МАШИНЫ!!!!!!!
ЗЫЫ. Люблю жОсткое немецкое порно -желательно на видеокассетах.


Вернуться к началу
 Профиль  
 
 Заголовок сообщения: Re: Buick Park Avenue
СообщениеДобавлено: 01 ноя 2012, 17:29 
Не в сети
Член клуба
Аватара пользователя

Зарегистрирован: 07 мар 2009, 15:25
Сообщения: 4103
Откуда: ВОРЗЕЛЬ
Авто: OMEGA A 3.0-OMEGA B 2.0-OMEGA A 2.0-ASCONA 2.0 cabrio (в работе)
Скорее всего у тебя starter enable relay накрылось медным тазом.
С приходом холодов - вполне логично.

_________________
In god we trust everyone - else pay cash !!!
У МЕНЯ ТЕПЕРЬ УЖЕ НЕТ АМЕРИКАНСКОЙ МАШИНЫ!!!!!!!
ЗЫЫ. Люблю жОсткое немецкое порно -желательно на видеокассетах.


Вернуться к началу
 Профиль  
 
 Заголовок сообщения: Re: Buick Park Avenue
СообщениеДобавлено: 01 ноя 2012, 18:19 
Не в сети
Член клуба
Аватара пользователя

Зарегистрирован: 26 мар 2010, 20:16
Сообщения: 3980
Откуда: Житомирская обл.
Авто: Buick Park Avenue and Твария
niki писал(а):
Скорее всего у тебя starter enable relay накрылось медным тазом.
С приходом холодов - вполне логично.

Скорее всего :yes:
Не накрылось - а выебнулось, машина в строю, все нормально :good:

Спасибо Коля :drinks:

_________________
Ошибки юности легко сходили с рук.
Ах, молодость, - волшебный звук свирели.
Мы часто под собой пилили сук.
Теперь и мы не те, и суки постарели.


Вернуться к началу
 Профиль  
 
 Заголовок сообщения: Re: Buick Park Avenue
СообщениеДобавлено: 01 ноя 2012, 18:34 
Не в сети
Член клуба
Аватара пользователя

Зарегистрирован: 07 мар 2009, 15:25
Сообщения: 4103
Откуда: ВОРЗЕЛЬ
Авто: OMEGA A 3.0-OMEGA B 2.0-OMEGA A 2.0-ASCONA 2.0 cabrio (в работе)
пжлста :hi:

_________________
In god we trust everyone - else pay cash !!!
У МЕНЯ ТЕПЕРЬ УЖЕ НЕТ АМЕРИКАНСКОЙ МАШИНЫ!!!!!!!
ЗЫЫ. Люблю жОсткое немецкое порно -желательно на видеокассетах.


Вернуться к началу
 Профиль  
 
 Заголовок сообщения: Re: Buick Park Avenue
СообщениеДобавлено: 04 ноя 2012, 11:27 
Не в сети
Член клуба
Аватара пользователя

Зарегистрирован: 26 мар 2010, 20:16
Сообщения: 3980
Откуда: Житомирская обл.
Авто: Buick Park Avenue and Твария
Бьюик благополучно завершил автопробег в Крым и обратно :rock:


Вложения:
getImage (10).jpg
getImage (10).jpg [ 65.97 КБ | Просмотров: 2957 ]
getImage (9).jpg
getImage (9).jpg [ 67.59 КБ | Просмотров: 2957 ]
getImage (6).jpg
getImage (6).jpg [ 41.71 КБ | Просмотров: 2957 ]

_________________
Ошибки юности легко сходили с рук.
Ах, молодость, - волшебный звук свирели.
Мы часто под собой пилили сук.
Теперь и мы не те, и суки постарели.
Вернуться к началу
 Профиль  
 
 Заголовок сообщения: Re: Buick Park Avenue
СообщениеДобавлено: 04 ноя 2012, 11:40 
Не в сети
Член клуба
Аватара пользователя

Зарегистрирован: 26 мар 2010, 20:16
Сообщения: 3980
Откуда: Житомирская обл.
Авто: Buick Park Avenue and Твария
а так выглядит машина после полторухи тыщь км :facepalm


Вложения:
DSC_1327_hf.jpg
DSC_1327_hf.jpg [ 772.37 КБ | Просмотров: 2953 ]
DSC_1326_hf.jpg
DSC_1326_hf.jpg [ 724.84 КБ | Просмотров: 2953 ]
DSC_1325_hf.jpg
DSC_1325_hf.jpg [ 1.28 МБ | Просмотров: 2953 ]

_________________
Ошибки юности легко сходили с рук.
Ах, молодость, - волшебный звук свирели.
Мы часто под собой пилили сук.
Теперь и мы не те, и суки постарели.
Вернуться к началу
 Профиль  
 
 Заголовок сообщения: Re: Buick Park Avenue
СообщениеДобавлено: 04 ноя 2012, 12:28 
Не в сети
Член клуба
Аватара пользователя

Зарегистрирован: 10 янв 2011, 16:45
Сообщения: 2801
Откуда: Харьков
Авто: Dodge Caravan
:good:


Вернуться к началу
 Профиль  
 
 Заголовок сообщения: Re: Buick Park Avenue
СообщениеДобавлено: 04 ноя 2012, 16:10 
Не в сети
Член клуба

Зарегистрирован: 13 апр 2009, 18:08
Сообщения: 861
Авто: .
Где отпечаток забора? Фотошоп?


Вернуться к началу
 Профиль  
 
Показать сообщения за:  Поле сортировки  
Начать новую тему Ответить на тему  [ Сообщений: 499 ]  На страницу Пред.  1 ... 22, 23, 24, 25, 26, 27, 28 ... 50  След.


Часовой пояс: UTC + 2 часа [ Летнее время ]


Кто сейчас на конференции

Сейчас этот форум просматривают: нет зарегистрированных пользователей и гости: 3


Вы не можете начинать темы
Вы не можете отвечать на сообщения
Вы не можете редактировать свои сообщения
Вы не можете удалять свои сообщения
Вы не можете добавлять вложения

Перейти:  
Дружественные проекты: Фреон для автомобилей, Оптовая продажа фреона на сайте freezeoil.com.ua.
Фреон R134a, R410A, R404A, R606a, R507. Фреоны для кондиционеров, холодильников, пожаротушения.