Detroit Clan

Украинский клуб владельцев настоящих американских автомобилей
Текущее время: 30 окт 2025, 01:16

Часовой пояс: UTC + 2 часа [ Летнее время ]


Важное сообщение! Что произошло с форумом? Все по ссылке


Интернет магазин Ваши Шины


Начать новую тему Ответить на тему  [ Сообщений: 18 ]  На страницу Пред.  1, 2
Автор Сообщение
 Заголовок сообщения: Re: Итак ВНИМАНИЕ вопрос!
СообщениеДобавлено: 28 мар 2014, 00:00 
Не в сети
Член клуба
Аватара пользователя

Зарегистрирован: 21 окт 2011, 22:32
Сообщения: 12040
Авто: ...
Общий у них плюс и минус .Ищи .В проводке , масса на кузов ,предохранители скрутки

_________________
Изображение

для тех, кто задает вопросы «Почему нужно жить?» и «Зачем все это нужно?» нет возможности получить счастье. По крайней мере так просто, как другим людям.


Вернуться к началу
 Профиль  
 
 Заголовок сообщения: Re: Итак ВНИМАНИЕ вопрос!
СообщениеДобавлено: 28 мар 2014, 00:01 
Не в сети
Член клуба

Зарегистрирован: 26 янв 2013, 13:50
Сообщения: 170
Откуда: Киев
Авто: Chrysler Le Baron 3.0 V6
Hennady писал(а):
щетки генератора стерлись...
или сама поверхность контакта щеток на роторе сносилась...

и это влияет на то что - датчик температуры+датчик зарядки - просто не показыват Ни..уя? но зарядка то есть и вся подноготная арбайтен просто проблемма показаний датчиков!


Вернуться к началу
 Профиль  
 
 Заголовок сообщения: Re: Итак ВНИМАНИЕ вопрос!
СообщениеДобавлено: 28 мар 2014, 00:02 
Не в сети
Член клуба

Зарегистрирован: 26 янв 2013, 13:50
Сообщения: 170
Откуда: Киев
Авто: Chrysler Le Baron 3.0 V6
Pferd писал(а):
Общий у них плюс и минус .Ищи .В проводке , масса на кузов ,предохранители скрутки

ага) кампрендо)


Вернуться к началу
 Профиль  
 
 Заголовок сообщения: Re: Итак ВНИМАНИЕ вопрос!
СообщениеДобавлено: 28 мар 2014, 00:05 
Не в сети
Член клуба
Аватара пользователя

Зарегистрирован: 21 окт 2011, 22:32
Сообщения: 12040
Авто: ...
какой год хруслер напомни завтра посмотрю схему

_________________
Изображение

для тех, кто задает вопросы «Почему нужно жить?» и «Зачем все это нужно?» нет возможности получить счастье. По крайней мере так просто, как другим людям.


Вернуться к началу
 Профиль  
 
 Заголовок сообщения: Re: Итак ВНИМАНИЕ вопрос!
СообщениеДобавлено: 28 мар 2014, 11:13 
Не в сети
Член клуба

Зарегистрирован: 26 янв 2013, 13:50
Сообщения: 170
Откуда: Киев
Авто: Chrysler Le Baron 3.0 V6
Pferd писал(а):
какой год хруслер напомни завтра посмотрю схему

1991 г.


Вернуться к началу
 Профиль  
 
 Заголовок сообщения: Re: Итак ВНИМАНИЕ вопрос!
СообщениеДобавлено: 28 мар 2014, 11:13 
Не в сети
Член клуба

Зарегистрирован: 26 янв 2013, 13:50
Сообщения: 170
Откуда: Киев
Авто: Chrysler Le Baron 3.0 V6
И вот кстати, все снова ЗАРАБОТАЛО!))) :yahoo:


Вернуться к началу
 Профиль  
 
 Заголовок сообщения: Re: Итак ВНИМАНИЕ вопрос!
СообщениеДобавлено: 28 мар 2014, 11:14 
Не в сети
Член клуба

Зарегистрирован: 26 янв 2013, 13:50
Сообщения: 170
Откуда: Киев
Авто: Chrysler Le Baron 3.0 V6
но єту проблемму нужно как-то решить ибо не Камельфо :facepalm


Вернуться к началу
 Профиль  
 
 Заголовок сообщения: Re: Итак ВНИМАНИЕ вопрос!
СообщениеДобавлено: 28 мар 2014, 11:40 
Не в сети
Член клуба
Аватара пользователя

Зарегистрирован: 21 окт 2011, 22:32
Сообщения: 12040
Авто: ...
Nekrasow писал(а):
но єту проблемму нужно как-то решить ибо не Камельфо :facepalm


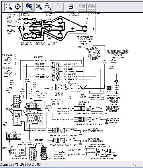
Вложения:
хруслер датчик температуры.jpg
хруслер датчик температуры.jpg [ 95.32 КБ | Просмотров: 3965 ]
хруслер .jpg
хруслер .jpg [ 88.23 КБ | Просмотров: 3965 ]

_________________
Изображение

для тех, кто задает вопросы «Почему нужно жить?» и «Зачем все это нужно?» нет возможности получить счастье. По крайней мере так просто, как другим людям.
Вернуться к началу
 Профиль  
 
Показать сообщения за:  Поле сортировки  
Начать новую тему Ответить на тему  [ Сообщений: 18 ]  На страницу Пред.  1, 2


Часовой пояс: UTC + 2 часа [ Летнее время ]


Кто сейчас на конференции

Сейчас этот форум просматривают: нет зарегистрированных пользователей и гости: 12


Вы не можете начинать темы
Вы не можете отвечать на сообщения
Вы не можете редактировать свои сообщения
Вы не можете удалять свои сообщения
Вы не можете добавлять вложения

Перейти:  
cron
Дружественные проекты: Фреон для автомобилей, Оптовая продажа фреона на сайте freezeoil.com.ua.
Фреон R134a, R410A, R404A, R606a, R507. Фреоны для кондиционеров, холодильников, пожаротушения.