Detroit Clan

Украинский клуб владельцев настоящих американских автомобилей
Текущее время: 07 дек 2025, 09:57

Часовой пояс: UTC + 2 часа [ Летнее время ]


Важное сообщение! Что произошло с форумом? Все по ссылке


Интернет магазин Ваши Шины


Начать новую тему Ответить на тему  [ Сообщений: 21 ]  На страницу Пред.  1, 2, 3  След.
Автор Сообщение
СообщениеДобавлено: 03 дек 2015, 23:44 
Не в сети
Док

Зарегистрирован: 05 янв 2010, 22:55
Сообщения: 6499
Авто: большой
Цитата:
Практическая польза есть от cornering light?

настолько, что иногда включаю поворотник для подсветки обочины...
во флите светит адекватно


Вернуться к началу
 Профиль  
 
СообщениеДобавлено: 03 дек 2015, 23:47 
Не в сети
Член клуба
Аватара пользователя

Зарегистрирован: 11 июн 2008, 15:13
Сообщения: 23218
Авто: Nissan Leaf 12
док а со скольки лет зрение начинает падать ?


Вернуться к началу
 Профиль  
 
СообщениеДобавлено: 04 дек 2015, 00:46 
Не в сети
Член клуба

Зарегистрирован: 24 янв 2009, 23:22
Сообщения: 2569
Откуда: Киев
Авто: Chevrolet Caprice, 4.3 1994г.в.
Судя по картинке, кроме ближний/дальний всё неверно. Альт конечно опять скажет, что я баран, но всё работает по другому!


Вернуться к началу
 Профиль  
 
СообщениеДобавлено: 04 дек 2015, 00:49 
Не в сети
Член клуба
Аватара пользователя

Зарегистрирован: 09 янв 2012, 11:55
Сообщения: 9787
Откуда: KievCity
Авто: Бенджамин и Винсент
Капитан Улитка писал(а):
док а со скольки лет зрение начинает падать ?

А че оно должно падать?


Вернуться к началу
 Профиль  
 
СообщениеДобавлено: 04 дек 2015, 00:54 
Не в сети
Член клуба

Зарегистрирован: 24 янв 2009, 23:22
Сообщения: 2569
Откуда: Киев
Авто: Chevrolet Caprice, 4.3 1994г.в.
Ну и поворотники верно


Вернуться к началу
 Профиль  
 
СообщениеДобавлено: 04 дек 2015, 08:17 
Не в сети
Член клуба
Аватара пользователя

Зарегистрирован: 28 дек 2012, 12:48
Сообщения: 347
Откуда: Черкассы, Украина
Авто: GMC Rally Van, Mitsubishi Pajero
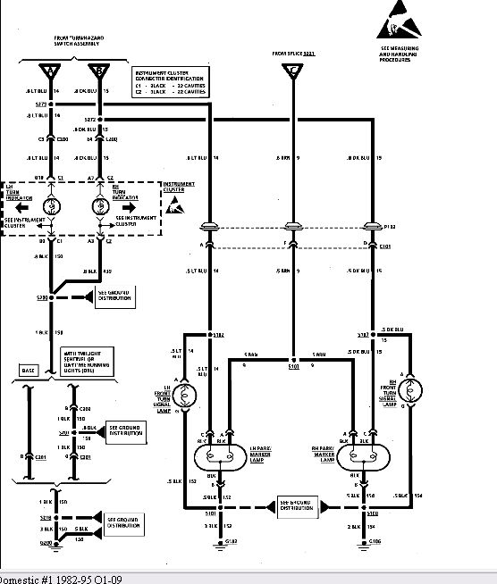
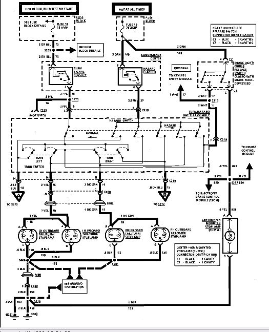
кто-то может помочь со схемой?


Вернуться к началу
 Профиль  
 
СообщениеДобавлено: 04 дек 2015, 10:06 
Не в сети
Член клуба
Аватара пользователя

Зарегистрирован: 21 окт 2011, 22:32
Сообщения: 12040
Авто: ...
Можем помочь


Вложения:
схема ламп каприс 2.jpg
схема ламп каприс 2.jpg [ 58.84 КБ | Просмотров: 12469 ]
схема ламп каприс 1.jpg
схема ламп каприс 1.jpg [ 58.5 КБ | Просмотров: 12469 ]
схема ламп каприс.jpg
схема ламп каприс.jpg [ 81.54 КБ | Просмотров: 12469 ]

_________________
Изображение

для тех, кто задает вопросы «Почему нужно жить?» и «Зачем все это нужно?» нет возможности получить счастье. По крайней мере так просто, как другим людям.
Вернуться к началу
 Профиль  
 
СообщениеДобавлено: 04 дек 2015, 10:07 
Не в сети
Член клуба
Аватара пользователя

Зарегистрирован: 21 окт 2011, 22:32
Сообщения: 12040
Авто: ...
что ещё надо стучись


Вложения:
схема ламп каприс 5.jpg
схема ламп каприс 5.jpg [ 53.09 КБ | Просмотров: 12467 ]
схема ламп каприс 4jpg.jpg
схема ламп каприс 4jpg.jpg [ 61.96 КБ | Просмотров: 12467 ]
схема ламп каприс 3.jpg
схема ламп каприс 3.jpg [ 52.55 КБ | Просмотров: 12467 ]

_________________
Изображение

для тех, кто задает вопросы «Почему нужно жить?» и «Зачем все это нужно?» нет возможности получить счастье. По крайней мере так просто, как другим людям.
Вернуться к началу
 Профиль  
 
СообщениеДобавлено: 04 дек 2015, 10:09 
Не в сети
Член клуба
Аватара пользователя

Зарегистрирован: 21 окт 2011, 22:32
Сообщения: 12040
Авто: ...
Денябрик писал(а):
Судя по картинке, кроме ближний/дальний всё неверно. Альт конечно опять скажет, что я баран, но всё работает по другому!

:rofl: :write:

_________________
Изображение

для тех, кто задает вопросы «Почему нужно жить?» и «Зачем все это нужно?» нет возможности получить счастье. По крайней мере так просто, как другим людям.


Вернуться к началу
 Профиль  
 
СообщениеДобавлено: 04 дек 2015, 11:44 
Не в сети
Член клуба
Аватара пользователя

Зарегистрирован: 28 дек 2012, 12:48
Сообщения: 347
Откуда: Черкассы, Украина
Авто: GMC Rally Van, Mitsubishi Pajero
Спасибо


Вернуться к началу
 Профиль  
 
Показать сообщения за:  Поле сортировки  
Начать новую тему Ответить на тему  [ Сообщений: 21 ]  На страницу Пред.  1, 2, 3  След.


Часовой пояс: UTC + 2 часа [ Летнее время ]


Кто сейчас на конференции

Сейчас этот форум просматривают: нет зарегистрированных пользователей и гости: 11


Вы не можете начинать темы
Вы не можете отвечать на сообщения
Вы не можете редактировать свои сообщения
Вы не можете удалять свои сообщения
Вы не можете добавлять вложения

Перейти:  
cron
Дружественные проекты: Фреон для автомобилей, Оптовая продажа фреона на сайте freezeoil.com.ua.
Фреон R134a, R410A, R404A, R606a, R507. Фреоны для кондиционеров, холодильников, пожаротушения.