Detroit Clan

Украинский клуб владельцев настоящих американских автомобилей
Текущее время: 23 май 2026, 06:36

Часовой пояс: UTC + 2 часа [ Летнее время ]


Важное сообщение! Что произошло с форумом? Все по ссылке


Интернет магазин Ваши Шины


Начать новую тему Ответить на тему  [ Сообщений: 195 ]  На страницу Пред.  1 ... 6, 7, 8, 9, 10, 11, 12 ... 20  След.
Автор Сообщение
 Заголовок сообщения: Re: обороти мотора
СообщениеДобавлено: 13 янв 2013, 16:22 
Не в сети
Член клуба
Аватара пользователя

Зарегистрирован: 25 ноя 2012, 18:27
Сообщения: 4586
Откуда: Одесса
Авто: Кадиллак Эльдорадо Биаритц 1991,Вольво 850Т5 (360hp/chip)
Hunter писал(а):
. зачем на заводском карбюраторе GM ставили в выхлопой лямбду?

Это примитивная регулировка смеси,так сказать - начало начал. :hahaha: Система может быть или полностью механическая или электонно-механическая(я имею ввиду сам привод обогащения/обеднения).Но нас интересует электронно-механическая(ибо Лямбда).Примитивный мозг получает сигнал от лямбды и по нему принимает решение - пропускать ли еще воздуха во впуск или нет.Обычно это регулируется по вакуумным магистралям.

_________________
Я из того мрачного прошлого, о котором вам, в светлом будущем, остается только мечтать.


Вернуться к началу
 Профиль  
 
 Заголовок сообщения: Re: обороти мотора
СообщениеДобавлено: 13 янв 2013, 16:24 
Не в сети
Член клуба
Аватара пользователя

Зарегистрирован: 14 апр 2009, 15:16
Сообщения: 2866
Откуда: Kiev
Авто: Chevrolet Camaro 1988 V8 (305)
asvodessa писал(а):
Hunter писал(а):
. зачем на заводском карбюраторе GM ставили в выхлопой лямбду?

Это примитивная регулировка смеси,так сказать - начало начал. :hahaha: Система может быть или полностью механическая или электонно-механическая(я имею ввиду сам привод обогащения/обеднения).Но нас интересует электронно-механическая(ибо Лямбда).Примитивный мозг получает сигнал от лямбды и по нему принимает решение - пропускать ли еще воздуха во впуск или нет.Обычно это регулируется по вакуумным магистралям.


Я же говорил Одесса знает!

_________________
Изображение
http://www.skulptor.at.ua


Вернуться к началу
 Профиль  
 
 Заголовок сообщения: Re: обороти мотора
СообщениеДобавлено: 13 янв 2013, 16:25 
Не в сети
Член клуба
Аватара пользователя

Зарегистрирован: 25 ноя 2012, 18:27
Сообщения: 4586
Откуда: Одесса
Авто: Кадиллак Эльдорадо Биаритц 1991,Вольво 850Т5 (360hp/chip)
Pferd писал(а):
asvodessa писал(а):
[
:stol: ....такой - вежливо предупредил,типа - извините,сейчас морду бить будем.... :rofl:
А по сути - у тебя изначально не верное понимание работы инжектора,естественно по-этому ты и несешь эту ахинею,но тебе простительно...... :drinks:

Ты думаешь что только ты что то понимаешь ? Обычная блядь , СС следящая система с кучей датчиков наш с тобой инжектор . Я блядь станки ЧПУ ремонтировал ,так все эти корыта которые по дороге ездят и рядом нахуй не валяются .Двухпроцесорные системы с кучей исполнительных механизмов и обратными связями .Пизду тут мне в лапти обуваешь :drinks: Я не разозлился , я так внушаю :rofl:

:facepalm .......станки ремонтировал,а принцип работы HFM не знаешь,но блять споришь..... :facepalm Не превращайся в Дока...

_________________
Я из того мрачного прошлого, о котором вам, в светлом будущем, остается только мечтать.


Вернуться к началу
 Профиль  
 
 Заголовок сообщения: Re: обороти мотора
СообщениеДобавлено: 13 янв 2013, 16:30 
Не в сети
Член клуба
Аватара пользователя

Зарегистрирован: 21 окт 2011, 22:32
Сообщения: 12040
Авто: ...
asvodessa писал(а):
Hunter писал(а):
. зачем на заводском карбюраторе GM ставили в выхлопой лямбду?

Это примитивная регулировка смеси,так сказать - начало начал. :hahaha: Система может быть или полностью механическая или электонно-механическая(я имею ввиду сам привод обогащения/обеднения).Но нас интересует электронно-механическая(ибо Лямбда).Примитивный мозг получает сигнал от лямбды и по нему принимает решение - пропускать ли еще воздуха во впуск или нет.Обычно это регулируется по вакуумным магистралям.

Покажи мне на схеме форсунку или ещё каку хрень которая что то регулирует , я вижу что датчик вакуума и тпс нужны для коробки (блокировка бублика ) есть ЕГР и клапана добавочного воздуха , клапан воздушной заслонки .Где на схеме управление топливом ?

_________________
Изображение

для тех, кто задает вопросы «Почему нужно жить?» и «Зачем все это нужно?» нет возможности получить счастье. По крайней мере так просто, как другим людям.


Вернуться к началу
 Профиль  
 
 Заголовок сообщения: Re: обороти мотора
СообщениеДобавлено: 13 янв 2013, 16:41 
Не в сети
Член клуба
Аватара пользователя

Зарегистрирован: 25 ноя 2012, 18:27
Сообщения: 4586
Откуда: Одесса
Авто: Кадиллак Эльдорадо Биаритц 1991,Вольво 850Т5 (360hp/chip)
Pferd писал(а):
asvodessa писал(а):
Hunter писал(а):
. зачем на заводском карбюраторе GM ставили в выхлопой лямбду?

Это примитивная регулировка смеси,так сказать - начало начал. :hahaha: Система может быть или полностью механическая или электонно-механическая(я имею ввиду сам привод обогащения/обеднения).Но нас интересует электронно-механическая(ибо Лямбда).Примитивный мозг получает сигнал от лямбды и по нему принимает решение - пропускать ли еще воздуха во впуск или нет.Обычно это регулируется по вакуумным магистралям.

Покажи мне на схеме форсунку или ещё каку хрень которая что то регулирует , я вижу что датчик вакуума и тпс нужны для коробки (блокировка бублика ) есть ЕГР и клапана добавочного воздуха , клапан воздушной заслонки .Где на схеме управление топливом ?

А зачем форсунка?Не топливом управляет древняя система,а воздухом!Именно добавлением его и корректируется смесь.Есть вакуумные магистрали,посредством которых могут прикрываться и открываться заслонки,или посредством открытия канала к дополнительному воздушному жиклеру,а может быть вообще отдельный механизм в колллекторе стоять.Я тебе обьяснил как работает Лямбда на карбе,а как она реализована конкретно на этом карбюраторе мне абсолютно не интересно.Можешь сам посмотреть схему и разобраться.

_________________
Я из того мрачного прошлого, о котором вам, в светлом будущем, остается только мечтать.


Вернуться к началу
 Профиль  
 
 Заголовок сообщения: Re: обороти мотора
СообщениеДобавлено: 13 янв 2013, 16:49 
Не в сети
Член клуба
Аватара пользователя

Зарегистрирован: 21 окт 2011, 22:32
Сообщения: 12040
Авто: ...
asvodessa писал(а):
А зачем форсунка?Не топливом управляет древняя система,а воздухом!Именно добавлением его и корректируется смесь.Есть вакуумные магистрали,посредством которых могут прикрываться и открываться заслонки,или посредством открытия канала к дополнительному воздушному жиклеру,а может быть вообще отдельный механизм в колллекторе стоять.Я тебе обьяснил как работает Лямбда на карбе,а как она реализована конкретно на этом карбюраторе мне абсолютно не интересно.Можешь сам посмотреть схему и разобраться.

Немножко рассмешил ты меня , ну да ладно .Прервём дискуссию за невозможностью сделать вскрытие .То что ты мне чуть выше пытаешься объяснить я знаю , схему смотрел .А ты нет :hahaha: :drinks:

_________________
Изображение

для тех, кто задает вопросы «Почему нужно жить?» и «Зачем все это нужно?» нет возможности получить счастье. По крайней мере так просто, как другим людям.


Вернуться к началу
 Профиль  
 
 Заголовок сообщения: Re: обороти мотора
СообщениеДобавлено: 13 янв 2013, 17:03 
Не в сети
Член клуба
Аватара пользователя

Зарегистрирован: 25 ноя 2012, 18:27
Сообщения: 4586
Откуда: Одесса
Авто: Кадиллак Эльдорадо Биаритц 1991,Вольво 850Т5 (360hp/chip)
Pferd писал(а):
asvodessa писал(а):
А зачем форсунка?Не топливом управляет древняя система,а воздухом!Именно добавлением его и корректируется смесь.Есть вакуумные магистрали,посредством которых могут прикрываться и открываться заслонки,или посредством открытия канала к дополнительному воздушному жиклеру,а может быть вообще отдельный механизм в колллекторе стоять.Я тебе обьяснил как работает Лямбда на карбе,а как она реализована конкретно на этом карбюраторе мне абсолютно не интересно.Можешь сам посмотреть схему и разобраться.

Немножко рассмешил ты меня , ну да ладно .Прервём дискуссию за невозможностью сделать вскрытие .То что ты мне чуть выше пытаешься объяснить я знаю , схему смотрел .А ты нет :hahaha: :drinks:

:facepalm :facepalm :facepalm ...тема закрыта.

_________________
Я из того мрачного прошлого, о котором вам, в светлом будущем, остается только мечтать.


Вернуться к началу
 Профиль  
 
 Заголовок сообщения: Re: обороти мотора
СообщениеДобавлено: 13 янв 2013, 17:08 
Не в сети
Член клуба
Аватара пользователя

Зарегистрирован: 21 окт 2011, 22:32
Сообщения: 12040
Авто: ...
:hahaha: :drinks: лучше бутыль вина раздавить

_________________
Изображение

для тех, кто задает вопросы «Почему нужно жить?» и «Зачем все это нужно?» нет возможности получить счастье. По крайней мере так просто, как другим людям.


Вернуться к началу
 Профиль  
 
 Заголовок сообщения: Re: обороти мотора
СообщениеДобавлено: 13 янв 2013, 17:10 
Не в сети
Член клуба
Аватара пользователя

Зарегистрирован: 25 ноя 2012, 18:27
Сообщения: 4586
Откуда: Одесса
Авто: Кадиллак Эльдорадо Биаритц 1991,Вольво 850Т5 (360hp/chip)
Pferd писал(а):
:hahaha: :drinks: лучше бутыль вина раздавить

Тут согласен,имеется ящик Хереса,бутылок 5 Мадеры и штук 10 Каберне........ :drinks:

_________________
Я из того мрачного прошлого, о котором вам, в светлом будущем, остается только мечтать.


Вернуться к началу
 Профиль  
 
 Заголовок сообщения: Re: обороти мотора
СообщениеДобавлено: 13 янв 2013, 17:59 
Не в сети
Герр Гюнтер
Аватара пользователя

Зарегистрирован: 04 июл 2008, 22:23
Сообщения: 11719
Откуда: Kiev
Авто: Chevrolet Camaro 5.1
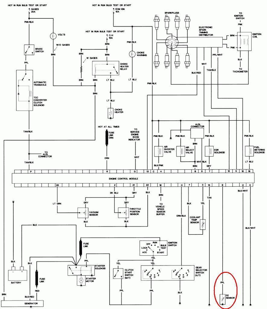
Лямбда действительно есть и подсоединена напрямую к блоку управления двигателем, одноконтактная, такаяже как и на инжекторе. Вот на схеме Игоря кружком отмечена

Я её не заметил с первого раза

MAX бы наверно возненавидел такой заводской карб еслибы увидел :hahaha:


Вложения:
02.JPG
02.JPG [ 101.91 КБ | Просмотров: 2503 ]

_________________
Изображение
Chevrolet Camaro 1988 5.1L V8 carb, T-5 ручка
Вернуться к началу
 Профиль  
 
Показать сообщения за:  Поле сортировки  
Начать новую тему Ответить на тему  [ Сообщений: 195 ]  На страницу Пред.  1 ... 6, 7, 8, 9, 10, 11, 12 ... 20  След.


Часовой пояс: UTC + 2 часа [ Летнее время ]


Кто сейчас на конференции

Сейчас этот форум просматривают: нет зарегистрированных пользователей и гости: 2


Вы не можете начинать темы
Вы не можете отвечать на сообщения
Вы не можете редактировать свои сообщения
Вы не можете удалять свои сообщения
Вы не можете добавлять вложения

Перейти:  
cron
Дружественные проекты: Фреон для автомобилей, Оптовая продажа фреона на сайте freezeoil.com.ua.
Фреон R134a, R410A, R404A, R606a, R507. Фреоны для кондиционеров, холодильников, пожаротушения.