Detroit Clan

Украинский клуб владельцев настоящих американских автомобилей
Текущее время: 20 янв 2026, 03:12

Часовой пояс: UTC + 2 часа [ Летнее время ]


Важное сообщение! Что произошло с форумом? Все по ссылке


Интернет магазин Ваши Шины


Начать новую тему Ответить на тему  [ Сообщений: 31 ]  На страницу Пред.  1, 2, 3, 4  След.
Автор Сообщение
 Заголовок сообщения: Re: прицепное на ram-1500.04г
СообщениеДобавлено: 30 янв 2012, 19:17 
Не в сети
Член клуба
Аватара пользователя

Зарегистрирован: 17 мар 2010, 01:07
Сообщения: 317
Откуда: Киев
Авто: только "америкосы"
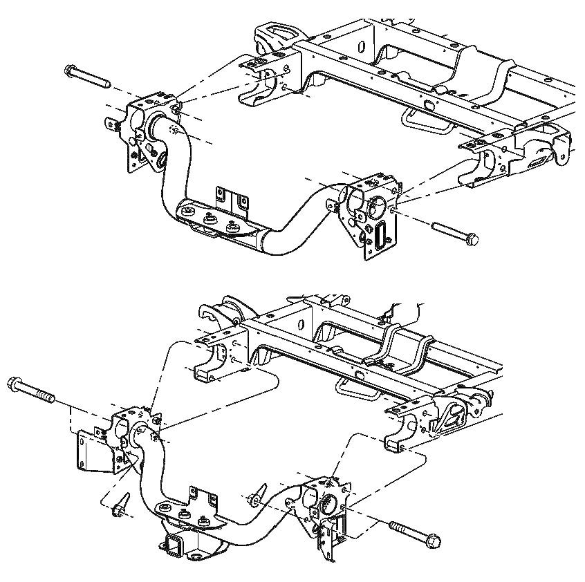
Не нужно ничего изобретать!!!

То что стоит на Вашей машине изображено на верхнем рисунке, а то что нужно, для буксировки прицепа изображено на нижнем рисунке.

По идее можно в то отверстие, которое имеется на площадке заднего бампера вставить шар, затянуть снизу гайкой и что-то буксировать. НО! Это что-то не может быть тяжелее небольшой лодки, при том надувной резиновой, при том без самого прицепа. :)
Для того, чтобы нормально буксировать независимо какой груз нужно менять прицепное устройство на то, которое изображено внизу на рисунке.

Вот и все!
И ради Бога - НИКАКИХ ТОКАРНЫХ РАБОТ!!!!


Вложения:
фаркоп.jpg
фаркоп.jpg [ 109.08 КБ | Просмотров: 2658 ]

_________________
AMERICAN AUTO CLUB
Ukraine, Kiev
(044)258-08-88
(063)578-13-39
eraauto@eraauto.com.ua
www.americanautoclub.com.ua
Вернуться к началу
 Профиль  
 
 Заголовок сообщения: Re: прицепное на ram-1500.04г
СообщениеДобавлено: 30 янв 2012, 19:21 
Не в сети
Член клуба
Аватара пользователя

Зарегистрирован: 17 мар 2010, 01:07
Сообщения: 317
Откуда: Киев
Авто: только "америкосы"
Нужно будет снять родную балку и поставить вот такую:

она у меня на складе:
(отдам уже с тягой и шаром)


Вложения:
Фаркоп3.JPG
Фаркоп3.JPG [ 465.08 КБ | Просмотров: 2656 ]
Фаркоп2.JPG
Фаркоп2.JPG [ 430.21 КБ | Просмотров: 2656 ]
фаркоп1.JPG
фаркоп1.JPG [ 389.91 КБ | Просмотров: 2656 ]

_________________
AMERICAN AUTO CLUB
Ukraine, Kiev
(044)258-08-88
(063)578-13-39
eraauto@eraauto.com.ua
www.americanautoclub.com.ua
Вернуться к началу
 Профиль  
 
 Заголовок сообщения: Re: прицепное на ram-1500.04г
СообщениеДобавлено: 30 янв 2012, 19:58 
Не в сети
Член клуба
Аватара пользователя

Зарегистрирован: 03 июн 2009, 20:21
Сообщения: 1400
Откуда: Киев
Авто: GMC Suburban, 4x4, 5.7 Vortec; Chevrolet Tahoe, 4х4, 5dr, 6.0TBI
тока цену сказать забыл...

_________________
Изображение


Вернуться к началу
 Профиль  
 
 Заголовок сообщения: Re: прицепное на ram-1500.04г
СообщениеДобавлено: 30 янв 2012, 20:31 
Не в сети
Член клуба
Аватара пользователя

Зарегистрирован: 17 мар 2010, 01:07
Сообщения: 317
Откуда: Киев
Авто: только "америкосы"
xam писал(а):


Я прошу за свой фаркоп 300уе. Он идет вместе с тягой и шаром.

Теперь немного внимательней изучите то, что вам предлагают. Тот механизм, который вам предлагают поставить является фаркопом третьего класса. Для буксировки мало мальского груза требуется минимум четвертый класс. Мы ведь не рассматриваем вариант фаркопа для красоты?!

Вот немного Википедии:

A trailer hitch typically bolts to the chassis of the vehicle. In North America there are a few common classes: I, II, III, IV that are defined by the SAE. Some manufacuteres market Class V hitches, but there is no such thing according to SAE J684.

Class I —up to 2,000 pounds (910 kg) — light loads
Class II —up to 3,500 pounds (1,600 kg) — light loads
Class III —up to 5,000 pounds (2,300 kg) — larger loads
Class IV —up to 10,000 pounds (4,500 kg) — larger loads (campers, boats, etc.)

По тому же принципу выбирается и тяга и шар!!!
Предлагаемый мной вариант является фаркопом 4-го класса и именно такой нужно искать для буксировки чего-то значимого.

Иначе банально прикрутите ШАР к имеющемуся у Вас на автомобиле фаркопу и пусть так и будет.

_________________
AMERICAN AUTO CLUB
Ukraine, Kiev
(044)258-08-88
(063)578-13-39
eraauto@eraauto.com.ua
www.americanautoclub.com.ua


Вернуться к началу
 Профиль  
 
 Заголовок сообщения: Re: прицепное на ram-1500.04г
СообщениеДобавлено: 15 фев 2012, 16:17 
Не в сети
Член клуба
Аватара пользователя

Зарегистрирован: 05 ноя 2008, 15:13
Сообщения: 902
Авто: не твоё дело
В Гернмании на ебае тогуют -
http://www.ebay.de/itm/US-Anhangerkupplung-Trailer-Hitch-passend-Dodge-Ram-1500-2003-2012-/120858108243?pt=DE_Autoteile&hash=item1c23b46153#ht_500wt_1203

_________________
Клуб банщиков чтоль?


Вернуться к началу
 Профиль  
 
 Заголовок сообщения: Re: прицепное на ram-1500.04г
СообщениеДобавлено: 19 фев 2012, 14:29 
Не в сети

Зарегистрирован: 12 дек 2011, 14:26
Сообщения: 161
Авто: Seville
http://www.offroadmaster.com/topic/3401 ... D0%BF-usa/


Вернуться к началу
 Профиль  
 
 Заголовок сообщения: Re: прицепное на ram-1500.04г
СообщениеДобавлено: 19 фев 2012, 15:42 
Не в сети
Член клуба
Аватара пользователя

Зарегистрирован: 03 июн 2009, 20:21
Сообщения: 1400
Откуда: Киев
Авто: GMC Suburban, 4x4, 5.7 Vortec; Chevrolet Tahoe, 4х4, 5dr, 6.0TBI
NxM писал(а):
http://www.offroadmaster.com/topic/34011-%D1%84%D0%B0%D1%80%D0%BA%D0%BE%D0%BF-usa/
не в качестве рекламы, а в качестве помощи соклану

_________________
Изображение


Вернуться к началу
 Профиль  
 
 Заголовок сообщения: Re: прицепное на ram-1500.04г
СообщениеДобавлено: 19 фев 2012, 16:21 
Не в сети

Зарегистрирован: 12 дек 2011, 14:26
Сообщения: 161
Авто: Seville
Не не так. В качестве помощи соклубнику!!!!! Нашел эту ссылку на сайте -вспомнил что искали :sparta


Вернуться к началу
 Профиль  
 
 Заголовок сообщения: Re: прицепное на ram-1500.04г
СообщениеДобавлено: 19 фев 2012, 20:09 
Не в сети
Член клуба
Аватара пользователя

Зарегистрирован: 03 июн 2009, 20:21
Сообщения: 1400
Откуда: Киев
Авто: GMC Suburban, 4x4, 5.7 Vortec; Chevrolet Tahoe, 4х4, 5dr, 6.0TBI
UAHunter писал(а):
Не не так. В качестве помощи соклубнику!!!!! Нашел эту ссылку на сайте -вспомнил что искали :sparta

но мы ведь Детройт - КЛАН!

_________________
Изображение


Вернуться к началу
 Профиль  
 
 Заголовок сообщения: Re: прицепное на ram-1500.04г
СообщениеДобавлено: 20 фев 2012, 00:27 
Не в сети
Член клуба
Аватара пользователя

Зарегистрирован: 03 июн 2009, 20:21
Сообщения: 1400
Откуда: Киев
Авто: GMC Suburban, 4x4, 5.7 Vortec; Chevrolet Tahoe, 4х4, 5dr, 6.0TBI
лишь бы не Магадан...

_________________
Изображение


Вернуться к началу
 Профиль  
 
Показать сообщения за:  Поле сортировки  
Начать новую тему Ответить на тему  [ Сообщений: 31 ]  На страницу Пред.  1, 2, 3, 4  След.


Часовой пояс: UTC + 2 часа [ Летнее время ]


Кто сейчас на конференции

Сейчас этот форум просматривают: нет зарегистрированных пользователей и гости: 16


Вы не можете начинать темы
Вы не можете отвечать на сообщения
Вы не можете редактировать свои сообщения
Вы не можете удалять свои сообщения
Вы не можете добавлять вложения

Перейти:  
cron
Дружественные проекты: Фреон для автомобилей, Оптовая продажа фреона на сайте freezeoil.com.ua.
Фреон R134a, R410A, R404A, R606a, R507. Фреоны для кондиционеров, холодильников, пожаротушения.