Detroit Clan

Украинский клуб владельцев настоящих американских автомобилей
Текущее время: 06 ноя 2025, 08:38

Часовой пояс: UTC + 2 часа [ Летнее время ]


Важное сообщение! Что произошло с форумом? Все по ссылке


Интернет магазин Ваши Шины


Начать новую тему Ответить на тему  [ Сообщений: 29 ]  На страницу Пред.  1, 2, 3  След.
Автор Сообщение
 Заголовок сообщения: Re: Олдсмобиль,ХЕЛП!
СообщениеДобавлено: 13 окт 2011, 14:09 
Не в сети
Член клуба
Аватара пользователя

Зарегистрирован: 07 мар 2009, 15:25
Сообщения: 4103
Откуда: ВОРЗЕЛЬ
Авто: OMEGA A 3.0-OMEGA B 2.0-OMEGA A 2.0-ASCONA 2.0 cabrio (в работе)
продолжение


Вложения:
3_2.JPG
3_2.JPG [ 108 КБ | Просмотров: 2450 ]
3_1.JPG
3_1.JPG [ 138.12 КБ | Просмотров: 2450 ]
2_3.JPG
2_3.JPG [ 145.53 КБ | Просмотров: 2450 ]

_________________
In god we trust everyone - else pay cash !!!
У МЕНЯ ТЕПЕРЬ УЖЕ НЕТ АМЕРИКАНСКОЙ МАШИНЫ!!!!!!!
ЗЫЫ. Люблю жОсткое немецкое порно -желательно на видеокассетах.
Вернуться к началу
 Профиль  
 
 Заголовок сообщения: Re: Олдсмобиль,ХЕЛП!
СообщениеДобавлено: 13 окт 2011, 14:10 
Не в сети
Член клуба
Аватара пользователя

Зарегистрирован: 07 мар 2009, 15:25
Сообщения: 4103
Откуда: ВОРЗЕЛЬ
Авто: OMEGA A 3.0-OMEGA B 2.0-OMEGA A 2.0-ASCONA 2.0 cabrio (в работе)
еще


Вложения:
3_3.JPG
3_3.JPG [ 132.5 КБ | Просмотров: 2450 ]

_________________
In god we trust everyone - else pay cash !!!
У МЕНЯ ТЕПЕРЬ УЖЕ НЕТ АМЕРИКАНСКОЙ МАШИНЫ!!!!!!!
ЗЫЫ. Люблю жОсткое немецкое порно -желательно на видеокассетах.
Вернуться к началу
 Профиль  
 
 Заголовок сообщения: Re: Олдсмобиль,ХЕЛП!
СообщениеДобавлено: 13 окт 2011, 14:13 
Не в сети
Член клуба
Аватара пользователя

Зарегистрирован: 07 мар 2009, 15:25
Сообщения: 4103
Откуда: ВОРЗЕЛЬ
Авто: OMEGA A 3.0-OMEGA B 2.0-OMEGA A 2.0-ASCONA 2.0 cabrio (в работе)
Вот тебе еще и driver information center - пригодиться :)


Вложения:
4.JPG
4.JPG [ 150.02 КБ | Просмотров: 2447 ]

_________________
In god we trust everyone - else pay cash !!!
У МЕНЯ ТЕПЕРЬ УЖЕ НЕТ АМЕРИКАНСКОЙ МАШИНЫ!!!!!!!
ЗЫЫ. Люблю жОсткое немецкое порно -желательно на видеокассетах.
Вернуться к началу
 Профиль  
 
 Заголовок сообщения: Re: Олдсмобиль,ХЕЛП!
СообщениеДобавлено: 13 окт 2011, 14:15 
Не в сети
Член клуба
Аватара пользователя

Зарегистрирован: 07 мар 2009, 15:25
Сообщения: 4103
Откуда: ВОРЗЕЛЬ
Авто: OMEGA A 3.0-OMEGA B 2.0-OMEGA A 2.0-ASCONA 2.0 cabrio (в работе)
Приборка там пиздец неудобная , а магнитофон туда встроенный под наклоном ... вобщем как по мне - не фонтан.
Хотя вааще - машина большая , удобная - тот же бьюик, понтик :) И жопа - закрывающая часть заднего колеса - это класс!!!!! :so_happy: Прямо как в старой ОМеге :)

_________________
In god we trust everyone - else pay cash !!!
У МЕНЯ ТЕПЕРЬ УЖЕ НЕТ АМЕРИКАНСКОЙ МАШИНЫ!!!!!!!
ЗЫЫ. Люблю жОсткое немецкое порно -желательно на видеокассетах.


Вернуться к началу
 Профиль  
 
 Заголовок сообщения: Re: Олдсмобиль,ХЕЛП!
СообщениеДобавлено: 13 окт 2011, 14:19 
Не в сети
Член клуба
Аватара пользователя

Зарегистрирован: 07 мар 2009, 15:25
Сообщения: 4103
Откуда: ВОРЗЕЛЬ
Авто: OMEGA A 3.0-OMEGA B 2.0-OMEGA A 2.0-ASCONA 2.0 cabrio (в работе)
Димыч - смотри - наслаждайся :)

_________________
In god we trust everyone - else pay cash !!!
У МЕНЯ ТЕПЕРЬ УЖЕ НЕТ АМЕРИКАНСКОЙ МАШИНЫ!!!!!!!
ЗЫЫ. Люблю жОсткое немецкое порно -желательно на видеокассетах.


Вернуться к началу
 Профиль  
 
 Заголовок сообщения: Re: Олдсмобиль,ХЕЛП!
СообщениеДобавлено: 13 окт 2011, 14:28 
Изображение


Вернуться к началу
  
 
 Заголовок сообщения: Re: Олдсмобиль,ХЕЛП!
СообщениеДобавлено: 13 окт 2011, 14:28 
Не в сети
Член клуба
Аватара пользователя

Зарегистрирован: 07 мар 2009, 15:25
Сообщения: 4103
Откуда: ВОРЗЕЛЬ
Авто: OMEGA A 3.0-OMEGA B 2.0-OMEGA A 2.0-ASCONA 2.0 cabrio (в работе)
Вот тебе еще и парк авеню - для сравнения :)


_________________
In god we trust everyone - else pay cash !!!
У МЕНЯ ТЕПЕРЬ УЖЕ НЕТ АМЕРИКАНСКОЙ МАШИНЫ!!!!!!!
ЗЫЫ. Люблю жОсткое немецкое порно -желательно на видеокассетах.


Вернуться к началу
 Профиль  
 
 Заголовок сообщения: Re: Олдсмобиль,ХЕЛП!
СообщениеДобавлено: 13 окт 2011, 14:31 
Не в сети
Член клуба
Аватара пользователя

Зарегистрирован: 07 мар 2009, 15:25
Сообщения: 4103
Откуда: ВОРЗЕЛЬ
Авто: OMEGA A 3.0-OMEGA B 2.0-OMEGA A 2.0-ASCONA 2.0 cabrio (в работе)
И еще понтик бонневиллЕ

Одна и та же платформа.


_________________
In god we trust everyone - else pay cash !!!
У МЕНЯ ТЕПЕРЬ УЖЕ НЕТ АМЕРИКАНСКОЙ МАШИНЫ!!!!!!!
ЗЫЫ. Люблю жОсткое немецкое порно -желательно на видеокассетах.


Вернуться к началу
 Профиль  
 
 Заголовок сообщения: Re: Олдсмобиль,ХЕЛП!
СообщениеДобавлено: 13 окт 2011, 14:34 
коль,с кусков схем я нихрена не понял.


Вернуться к началу
  
 
 Заголовок сообщения: Re: Олдсмобиль,ХЕЛП!
СообщениеДобавлено: 13 окт 2011, 14:41 
Не в сети
Член клуба
Аватара пользователя

Зарегистрирован: 07 мар 2009, 15:25
Сообщения: 4103
Откуда: ВОРЗЕЛЬ
Авто: OMEGA A 3.0-OMEGA B 2.0-OMEGA A 2.0-ASCONA 2.0 cabrio (в работе)
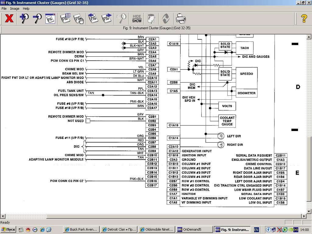
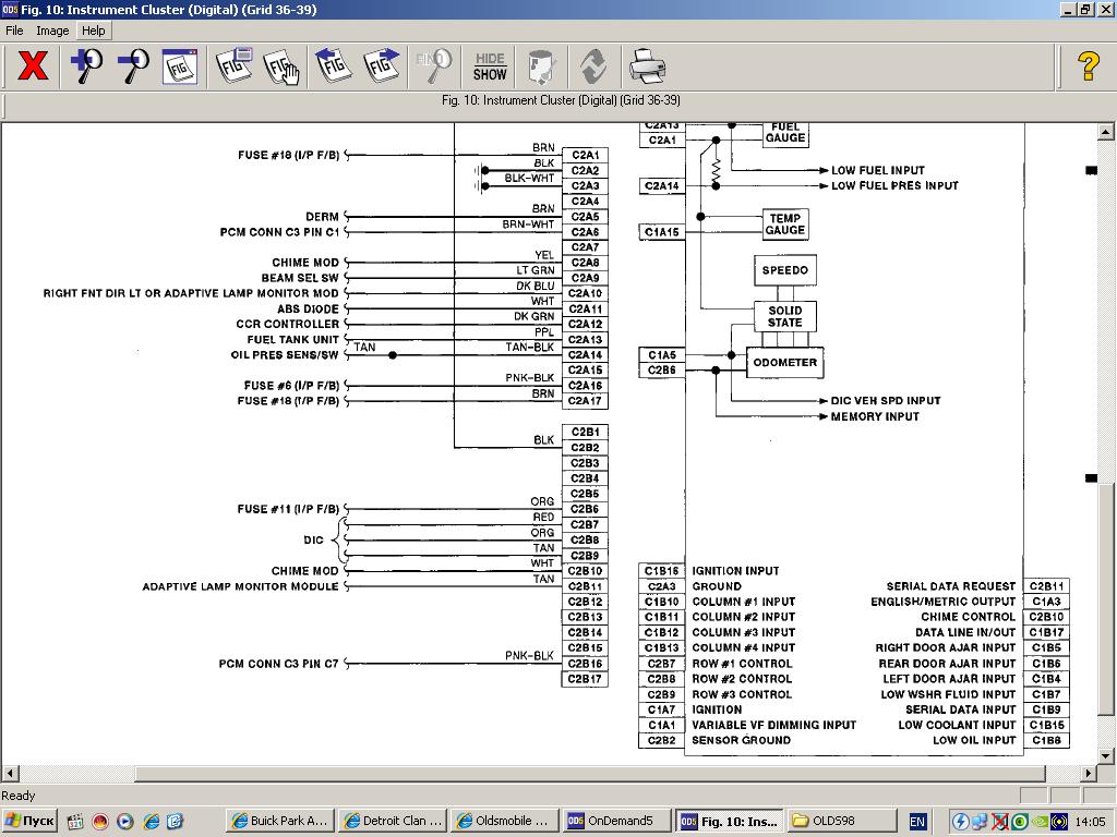
Дима - смотри на названия файлов. Сначала идет 1, потом 2_1 , потом 2_2 , потом 3_1 и т.д. Иначе - эта простынь никак не влезет , так что бы было читабельно.

_________________
In god we trust everyone - else pay cash !!!
У МЕНЯ ТЕПЕРЬ УЖЕ НЕТ АМЕРИКАНСКОЙ МАШИНЫ!!!!!!!
ЗЫЫ. Люблю жОсткое немецкое порно -желательно на видеокассетах.


Вернуться к началу
 Профиль  
 
Показать сообщения за:  Поле сортировки  
Начать новую тему Ответить на тему  [ Сообщений: 29 ]  На страницу Пред.  1, 2, 3  След.


Часовой пояс: UTC + 2 часа [ Летнее время ]


Кто сейчас на конференции

Сейчас этот форум просматривают: нет зарегистрированных пользователей и гости: 5


Вы не можете начинать темы
Вы не можете отвечать на сообщения
Вы не можете редактировать свои сообщения
Вы не можете удалять свои сообщения
Вы не можете добавлять вложения

Перейти:  
cron
Дружественные проекты: Фреон для автомобилей, Оптовая продажа фреона на сайте freezeoil.com.ua.
Фреон R134a, R410A, R404A, R606a, R507. Фреоны для кондиционеров, холодильников, пожаротушения.