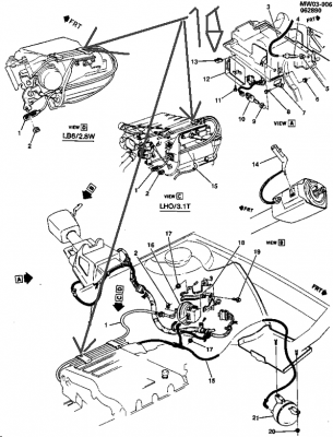
Зажим троса газа и тв кабеля, обнаружил через пять лет что его нету у меня. вот на картинке деталь 18 от 3.1 немного другая деталь, но тоже можна поставить на болты что держат впуск
может у кого есть? купить нереально негде нету 10054261 от 2.8л
Вложения: |

ge236b2710e45a179a61601b74f0b69f5.png [ 27.91 КБ | Просмотров: 1665 ]
|

g684cb5153a22ea09f0c502b329c18dca.png [ 37.7 КБ | Просмотров: 1665 ]
|

g8f5a42b5e7c9ec3e57325cda50502cf2.png [ 63.02 КБ | Просмотров: 1665 ]
|
_________________ ...друзі, .......................... в мене нема ваших адрес...
|