Detroit Clan

Украинский клуб владельцев настоящих американских автомобилей
Текущее время: 27 мар 2026, 12:05

Часовой пояс: UTC + 2 часа [ Летнее время ]


Важное сообщение! Что произошло с форумом? Все по ссылке


Интернет магазин Ваши Шины


Начать новую тему Ответить на тему  [ Сообщений: 7 ] 
Автор Сообщение
 Заголовок сообщения: Устройство АBS
СообщениеДобавлено: 19 дек 2012, 18:07 
Не в сети
Член клуба
Аватара пользователя

Зарегистрирован: 06 дек 2009, 22:54
Сообщения: 6891
Откуда: Полтава
Авто: Ford Crown Victoria Lx
Chevrolet Caprice Classic Brougham BMW E39
в продолжение темы об АБС
как эта шняга устроена?
есть гидроблок на который идет сигнал с датчиков колес
этот блок контролируется компом? или сам по себе?
кто дает команду отстрелить педаль?
на блок питание от акума, через ключ и предохранитель? походу так
у меня сканер говорит что АБС не отвечает
значит говно блок? или банально предохранитель или провод?
датчики на месте
разъем большой на гидроблок АБС без окислений
Где копнуть?
мож заработает ;)


Вернуться к началу
 Профиль  
 
 Заголовок сообщения: Re: Устройство АBS
СообщениеДобавлено: 19 дек 2012, 19:03 
Не в сети
Член клуба
Аватара пользователя

Зарегистрирован: 07 июл 2012, 12:52
Сообщения: 3011
Авто: элитный лимузин техасского фермера
Вот
http://amastercar.ru/articles/braking_system_3.shtml
Особенно раздел ABS не панацея.
Согласен.Я всегда отключаю ABS на бездоре,а особенно в горах.

_________________
«Жизнь во время путешествия — это мечта в чистом виде»
А.Кристи


Вернуться к началу
 Профиль  
 
 Заголовок сообщения: Re: Устройство АBS
СообщениеДобавлено: 19 дек 2012, 20:28 
Не в сети
Член клуба
Аватара пользователя

Зарегистрирован: 06 дек 2009, 22:54
Сообщения: 6891
Откуда: Полтава
Авто: Ford Crown Victoria Lx
Chevrolet Caprice Classic Brougham BMW E39
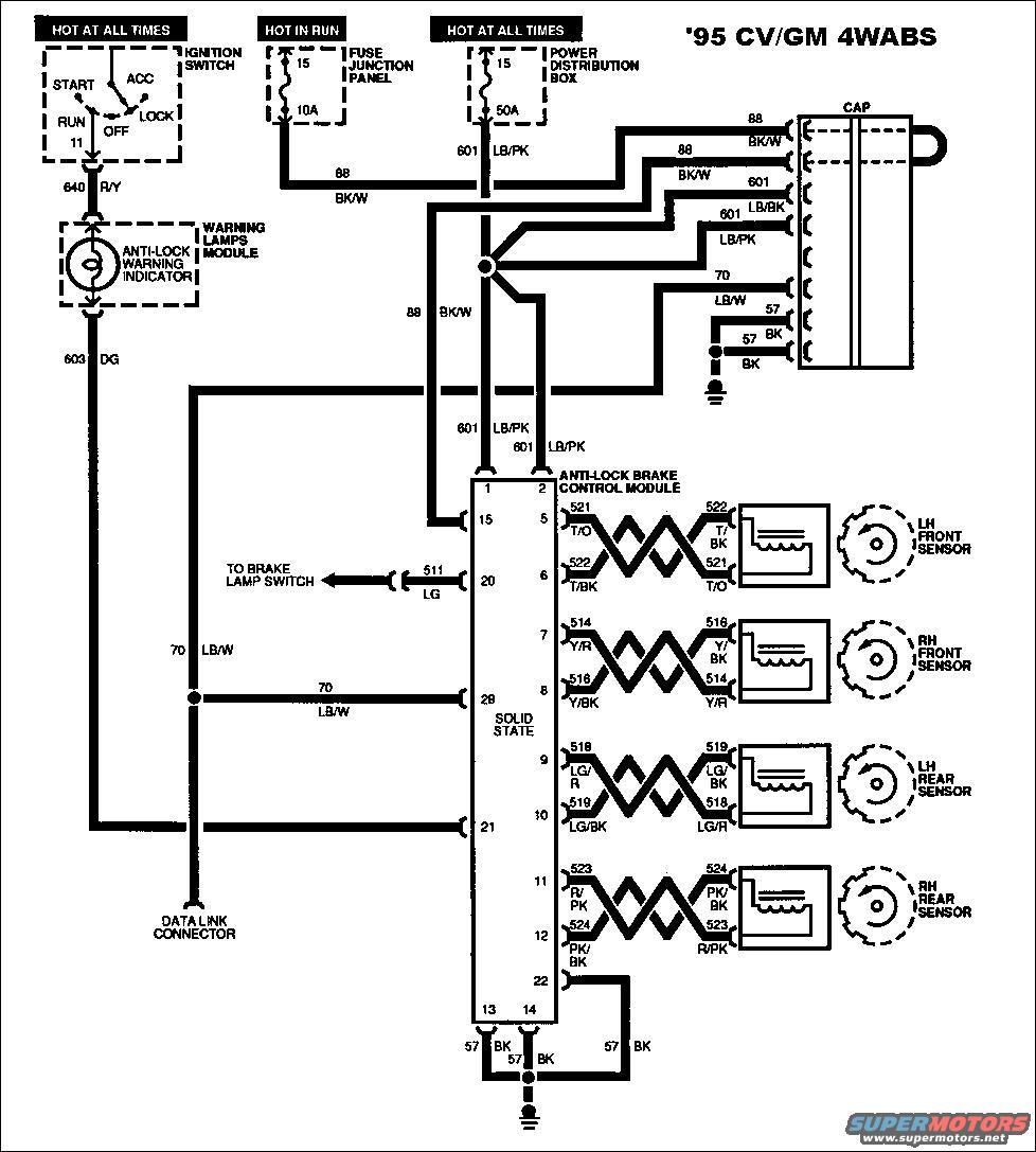
нашел


Вложения:
абс чертеж.jpg
абс чертеж.jpg [ 146.58 КБ | Просмотров: 3312 ]
Вернуться к началу
 Профиль  
 
 Заголовок сообщения: Re: Устройство АBS
СообщениеДобавлено: 20 дек 2012, 00:09 
Не в сети
Член клуба
Аватара пользователя

Зарегистрирован: 21 окт 2011, 22:32
Сообщения: 12040
Авто: ...
а чего не жаловался давно бы сделали :drinks:

_________________
Изображение

для тех, кто задает вопросы «Почему нужно жить?» и «Зачем все это нужно?» нет возможности получить счастье. По крайней мере так просто, как другим людям.


Вернуться к началу
 Профиль  
 
 Заголовок сообщения: Re: Устройство АBS
СообщениеДобавлено: 20 дек 2012, 00:13 
Не в сети
Член клуба
Аватара пользователя

Зарегистрирован: 06 дек 2009, 22:54
Сообщения: 6891
Откуда: Полтава
Авто: Ford Crown Victoria Lx
Chevrolet Caprice Classic Brougham BMW E39
на куй она мне(АБЦ)
значит так:
гидроблок мой состоит из модуля (электро) и насоса
впрочем как у всех
все стоит как по мне дорого
если нет ответа на сканер-то эл.модуль или обрыв по проводу
или релюха или предохран(но все вроде целые)
Игорь
ты ж на КВ ездить не хотел
а Слава не заметил ;)


Вернуться к началу
 Профиль  
 
 Заголовок сообщения: Re: Устройство АBS
СообщениеДобавлено: 20 дек 2012, 00:15 
Не в сети
Член клуба
Аватара пользователя

Зарегистрирован: 06 дек 2009, 22:54
Сообщения: 6891
Откуда: Полтава
Авто: Ford Crown Victoria Lx
Chevrolet Caprice Classic Brougham BMW E39
Будет тепло-поковыряюсь


Вернуться к началу
 Профиль  
 
 Заголовок сообщения: Re: Устройство АBS
СообщениеДобавлено: 30 дек 2012, 00:24 
Не в сети
Член клуба
Аватара пользователя

Зарегистрирован: 27 май 2011, 17:09
Сообщения: 383
Откуда: Киев
Авто: Chevrolet Caprice 1994, Opel Omega B 1999
Если на каприсе, то блок управления АБС стоит под панелью над рулевой колонкой. Под капотом только гидроблок. Насколько я понимаю такая система была до 96 года. С 96 года идет все в одном - под капотом.
У меня если что есть и гидроблок и управляющий.

_________________
Практика — это когда все работает, но ничего не понятно. Теория — это когда все понятно, но ничего не работает. Но иногда теория совмещается с практикой, тогда... ничего не работает и ничего не понятно.


Вернуться к началу
 Профиль  
 
Показать сообщения за:  Поле сортировки  
Начать новую тему Ответить на тему  [ Сообщений: 7 ] 


Часовой пояс: UTC + 2 часа [ Летнее время ]


Кто сейчас на конференции

Сейчас этот форум просматривают: нет зарегистрированных пользователей и гости: 15


Вы не можете начинать темы
Вы не можете отвечать на сообщения
Вы не можете редактировать свои сообщения
Вы не можете удалять свои сообщения
Вы не можете добавлять вложения

Перейти:  
cron
Дружественные проекты: Фреон для автомобилей, Оптовая продажа фреона на сайте freezeoil.com.ua.
Фреон R134a, R410A, R404A, R606a, R507. Фреоны для кондиционеров, холодильников, пожаротушения.