Detroit Clan

Украинский клуб владельцев настоящих американских автомобилей
Текущее время: 08 дек 2025, 17:00

Часовой пояс: UTC + 2 часа [ Летнее время ]


Важное сообщение! Что произошло с форумом? Все по ссылке


Интернет магазин Ваши Шины


Начать новую тему Ответить на тему  [ Сообщений: 222 ]  На страницу Пред.  1 ... 19, 20, 21, 22, 23  След.
Автор Сообщение
 Заголовок сообщения: Re: Стучит в двигателе
СообщениеДобавлено: 20 май 2013, 11:28 
Не в сети
Немец
Аватара пользователя

Зарегистрирован: 27 июл 2010, 16:39
Сообщения: 8867
Откуда: Киев
Авто: Mercedes-Benz
Сначала нужно определить в каком цилиндре стучит, а потом смотреть, что стучит - думаю, что это поршневой шатун, смотри на тот цилиндр в которой самая грязная свеча.

_________________
"Зиг хайль май лайф"...
Счастлив не тот, кто выбрал «правильный» путь, а тот, кто любит свою дорогу...


Вернуться к началу
 Профиль  
 
 Заголовок сообщения: Re: Стучит в двигателе
СообщениеДобавлено: 20 май 2013, 11:32 
Не в сети
Член клуба
Аватара пользователя

Зарегистрирован: 21 окт 2011, 22:32
Сообщения: 12040
Авто: ...
Hennady писал(а):
Сначала нужно определить в каком цилиндре стучит, а потом смотреть, что стучит - думаю, что это поршневой шатун, смотри на тот цилиндр в которой самая грязная свеча.

А я думаю что нужно не думать ,а нормально диагностировать и делать .Давление он так и не померял нихрена .Если он катался на забитом заборнике то в первую очередь выгребает постель распредвала , поскольку там самое большое масляное голодание .А все симптомы этого были налицо. Так что нехрен думать , уже пора прыгать .Он год отъездил так .

_________________
Изображение

для тех, кто задает вопросы «Почему нужно жить?» и «Зачем все это нужно?» нет возможности получить счастье. По крайней мере так просто, как другим людям.


Вернуться к началу
 Профиль  
 
 Заголовок сообщения: Re: Стучит в двигателе
СообщениеДобавлено: 20 май 2013, 11:37 
Не в сети
Немец
Аватара пользователя

Зарегистрирован: 27 июл 2010, 16:39
Сообщения: 8867
Откуда: Киев
Авто: Mercedes-Benz
Pferd писал(а):
....Если он катался на забитом заборнике то в первую очередь выгребает постель распредвала....

Если выгребает постель - в замененном масле должны быть опилки этой постели ;)

_________________
"Зиг хайль май лайф"...
Счастлив не тот, кто выбрал «правильный» путь, а тот, кто любит свою дорогу...


Вернуться к началу
 Профиль  
 
 Заголовок сообщения: Re: Стучит в двигателе
СообщениеДобавлено: 20 май 2013, 11:54 
Не в сети
Член клуба
Аватара пользователя

Зарегистрирован: 21 окт 2011, 22:32
Сообщения: 12040
Авто: ...
Hennady писал(а):
Pferd писал(а):
....Если он катался на забитом заборнике то в первую очередь выгребает постель распредвала....

Если выгребает постель - в замененном масле должны быть опилки этой постели ;)

А кто их смотрит когда сливает ? Смотрят только пробку с магнитом

_________________
Изображение

для тех, кто задает вопросы «Почему нужно жить?» и «Зачем все это нужно?» нет возможности получить счастье. По крайней мере так просто, как другим людям.


Вернуться к началу
 Профиль  
 
 Заголовок сообщения: Re: Стучит в двигателе
СообщениеДобавлено: 20 май 2013, 12:16 
Не в сети
Немец
Аватара пользователя

Зарегистрирован: 27 июл 2010, 16:39
Сообщения: 8867
Откуда: Киев
Авто: Mercedes-Benz
Pferd писал(а):
....А кто их смотрит когда сливает ?

это не наши проблемы :pardon:

"птицу видно по помёту" ;)

Pferd писал(а):
.... Смотрят только пробку с магнитом

материал пастели не магнитный ;)

_________________
"Зиг хайль май лайф"...
Счастлив не тот, кто выбрал «правильный» путь, а тот, кто любит свою дорогу...


Вернуться к началу
 Профиль  
 
 Заголовок сообщения: Re: Стучит в двигателе
СообщениеДобавлено: 20 май 2013, 12:20 
Не в сети
Член клуба
Аватара пользователя

Зарегистрирован: 29 дек 2011, 21:58
Сообщения: 1719
Авто: Ford Crown Victoria LX 1995
Я ж не против нормальной диагностики. Давление я мерял и говорил тебе данные, если надо замеряю ещё раз. Как диагностировать? Открывать сразу?


Вернуться к началу
 Профиль  
 
 Заголовок сообщения: Re: Стучит в двигателе
СообщениеДобавлено: 20 май 2013, 12:34 
Не в сети
Член клуба
Аватара пользователя

Зарегистрирован: 21 окт 2011, 22:32
Сообщения: 12040
Авто: ...
Hennady писал(а):
Pferd писал(а):
....А кто их смотрит когда сливает ?

это не наши проблемы :pardon:

"птицу видно по помёту" ;)

Pferd писал(а):
.... Смотрят только пробку с магнитом

материал пастели не магнитный ;)

А то я не знаю Гена :hahaha: почему и говорю масло слили пробка чистая пох значит всё нормально

_________________
Изображение

для тех, кто задает вопросы «Почему нужно жить?» и «Зачем все это нужно?» нет возможности получить счастье. По крайней мере так просто, как другим людям.


Вернуться к началу
 Профиль  
 
 Заголовок сообщения: Re: Стучит в двигателе
СообщениеДобавлено: 20 май 2013, 12:49 
Не в сети
Член клуба
Аватара пользователя

Зарегистрирован: 29 дек 2011, 21:58
Сообщения: 1719
Авто: Ford Crown Victoria LX 1995
Кто знает где можно найти како давление и какая компресия должна быть в Вике? А то гуглю не могу или правильно запрос подобрать или не знаю. В Чилтоне тоже не вижу никаких цифр... Помогите пожалуйста


Вернуться к началу
 Профиль  
 
 Заголовок сообщения: Re: Стучит в двигателе
СообщениеДобавлено: 21 май 2013, 12:46 
Не в сети
Член клуба
Аватара пользователя

Зарегистрирован: 21 окт 2011, 22:32
Сообщения: 12040
Авто: ...
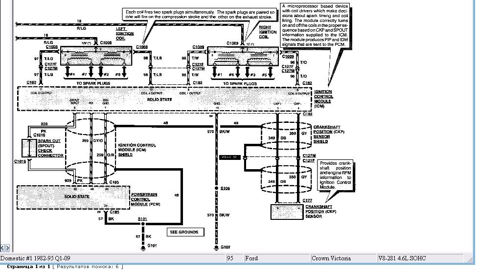
Вот тебе катушки и компрессия .Ставь себе Аллдату и читай


Вложения:
ФКВ  компрессия  jpg.jpg
ФКВ компрессия jpg.jpg [ 23.48 КБ | Просмотров: 2676 ]
ФКВ РСМ jpg.jpg
ФКВ РСМ jpg.jpg [ 94.27 КБ | Просмотров: 2676 ]
ФКВ Катушки.jpg
ФКВ Катушки.jpg [ 122.45 КБ | Просмотров: 2676 ]

_________________
Изображение

для тех, кто задает вопросы «Почему нужно жить?» и «Зачем все это нужно?» нет возможности получить счастье. По крайней мере так просто, как другим людям.
Вернуться к началу
 Профиль  
 
 Заголовок сообщения: Re: Стучит в двигателе
СообщениеДобавлено: 21 май 2013, 13:10 
Не в сети
Член клуба
Аватара пользователя

Зарегистрирован: 21 окт 2011, 22:32
Сообщения: 12040
Авто: ...
Давление масла


Вложения:
ФКВ  давление масла  jpg..jpg
ФКВ давление масла jpg..jpg [ 8.69 КБ | Просмотров: 2617 ]

_________________
Изображение

для тех, кто задает вопросы «Почему нужно жить?» и «Зачем все это нужно?» нет возможности получить счастье. По крайней мере так просто, как другим людям.
Вернуться к началу
 Профиль  
 
Показать сообщения за:  Поле сортировки  
Начать новую тему Ответить на тему  [ Сообщений: 222 ]  На страницу Пред.  1 ... 19, 20, 21, 22, 23  След.


Часовой пояс: UTC + 2 часа [ Летнее время ]


Кто сейчас на конференции

Сейчас этот форум просматривают: нет зарегистрированных пользователей и гости: 10


Вы не можете начинать темы
Вы не можете отвечать на сообщения
Вы не можете редактировать свои сообщения
Вы не можете удалять свои сообщения
Вы не можете добавлять вложения

Перейти:  
cron
Дружественные проекты: Фреон для автомобилей, Оптовая продажа фреона на сайте freezeoil.com.ua.
Фреон R134a, R410A, R404A, R606a, R507. Фреоны для кондиционеров, холодильников, пожаротушения.