Detroit Clan

Украинский клуб владельцев настоящих американских автомобилей
Текущее время: 19 дек 2025, 18:03

Часовой пояс: UTC + 2 часа [ Летнее время ]


Важное сообщение! Что произошло с форумом? Все по ссылке


Интернет магазин Ваши Шины


Начать новую тему Ответить на тему  [ Сообщений: 233 ]  На страницу Пред.  1 ... 16, 17, 18, 19, 20, 21, 22 ... 24  След.
Автор Сообщение
СообщениеДобавлено: 25 май 2014, 10:29 
Не в сети
Член клуба
Аватара пользователя

Зарегистрирован: 11 июн 2008, 15:13
Сообщения: 23218
Авто: Nissan Leaf 12
WC это качество производства . а вообще на них надо смотреть на наклейку или большие буквы на колоколе типа MD8 и тп


Вернуться к началу
 Профиль  
 
СообщениеДобавлено: 25 май 2014, 10:43 
Не в сети
Герр Гюнтер
Аватара пользователя

Зарегистрирован: 04 июл 2008, 22:23
Сообщения: 11719
Откуда: Kiev
Авто: Chevrolet Camaro 5.1
Я подумал о World Class, но потом увидел что автомат с этим термином не гуглится

_________________
Изображение
Chevrolet Camaro 1988 5.1L V8 carb, T-5 ручка


Вернуться к началу
 Профиль  
 
СообщениеДобавлено: 26 май 2014, 10:25 
Не в сети
Аватара пользователя

Зарегистрирован: 04 окт 2013, 11:32
Сообщения: 175
Авто: Opel Rekord hardtop coupe 1969 5,7
Капитан Улитка, картер MD8. Наклейка естественно не сохранилась.

Hunter, тоже думал, но тоже не нашел.

_________________
Yo, dawg. We heard you like blowers. So we put a blower on your blower on your blower on your blower on your blower. So now you can blow while you blow while you blow while you blow (C)


Вернуться к началу
 Профиль  
 
СообщениеДобавлено: 31 май 2014, 01:51 
Не в сети
Аватара пользователя

Зарегистрирован: 04 окт 2013, 11:32
Сообщения: 175
Авто: Opel Rekord hardtop coupe 1969 5,7
Ребята, есть у кого-то электросхемы на машины с 700r4/4L60 до 93 года? Достаточно электросхем по разъемам КПП

_________________
Yo, dawg. We heard you like blowers. So we put a blower on your blower on your blower on your blower on your blower. So now you can blow while you blow while you blow while you blow (C)


Вернуться к началу
 Профиль  
 
СообщениеДобавлено: 31 май 2014, 01:54 
Не в сети
Член клуба
Аватара пользователя

Зарегистрирован: 25 ноя 2012, 18:27
Сообщения: 4586
Откуда: Одесса
Авто: Кадиллак Эльдорадо Биаритц 1991,Вольво 850Т5 (360hp/chip)
Млять,у нас тут война,а ты со своей каропкой..... :facepalm Пойди на автофорум какой-нить штоле............ :unknown: :sparta :drinks:

_________________
Я из того мрачного прошлого, о котором вам, в светлом будущем, остается только мечтать.


Вернуться к началу
 Профиль  
 
СообщениеДобавлено: 31 май 2014, 07:29 
Не в сети
Член клуба
Аватара пользователя

Зарегистрирован: 21 окт 2011, 22:32
Сообщения: 12040
Авто: ...
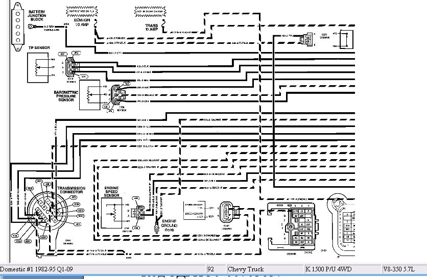
EmiteR писал(а):
Ребята, есть у кого-то электросхемы на машины с 700r4/4L60 до 93 года? Достаточно электросхем по разъемам КПП


А ты понимаешьв схемах ? Примерно такое ? С какой машины ?


Вложения:
700.jpg
700.jpg [ 108.96 КБ | Просмотров: 3267 ]

_________________
Изображение

для тех, кто задает вопросы «Почему нужно жить?» и «Зачем все это нужно?» нет возможности получить счастье. По крайней мере так просто, как другим людям.
Вернуться к началу
 Профиль  
 
СообщениеДобавлено: 01 июн 2014, 14:56 
Не в сети
Член клуба
Аватара пользователя

Зарегистрирован: 13 сен 2010, 14:41
Сообщения: 2197
Авто: Tata Gurkha и Bentley Brooklands
Очень красивый Опель... даже не встречал таких не разу.. стилистически сильно похож на АА обрацза 70-х (Шеви Чевель, Понтиак ГТО итп..)


Вернуться к началу
 Профиль  
 
СообщениеДобавлено: 02 июн 2014, 16:41 
Не в сети
Аватара пользователя

Зарегистрирован: 04 окт 2013, 11:32
Сообщения: 175
Авто: Opel Rekord hardtop coupe 1969 5,7
asvodessa, машины - единственное, что мне помогает переключиться с темы войны в нашей стране. Вот и занимаюсь коробкой.

Pferd, да, понимаю, сам электронщик. Но, судя по всему, схема на 4L60E с павертрейном на L05, т.к. там большой круглый разъем на КПП. На моей же КПП всего 2 разъема - 4-хконтактный (задействовано 3) слева сбоку, и еще один под хвостовиком (по ходу, на овердрайв).
Если не сложно, гляньте схему на Van G20 90-го года. Именно с него моя КПП. Ну а вообще, подойдет и от F-body до 93... Вроде-бы...

Дон, спасибо :drinks: Я 4 года его искал, после того как однажды увидел. Мне он больше напоминает Чарджер 68-го, только заметно меньше :)

_________________
Yo, dawg. We heard you like blowers. So we put a blower on your blower on your blower on your blower on your blower. So now you can blow while you blow while you blow while you blow (C)


Последний раз редактировалось EmiteR 02 июн 2014, 16:44, всего редактировалось 1 раз.

Вернуться к началу
 Профиль  
 
СообщениеДобавлено: 02 июн 2014, 16:44 
Не в сети
Герр Гюнтер
Аватара пользователя

Зарегистрирован: 04 июл 2008, 22:23
Сообщения: 11719
Откуда: Kiev
Авто: Chevrolet Camaro 5.1
А как относишься к восточным сепаратистам? :popcorn (тут нужно вставить смайлик с направленой в лицо настольной лампой)

_________________
Изображение
Chevrolet Camaro 1988 5.1L V8 carb, T-5 ручка


Вернуться к началу
 Профиль  
 
СообщениеДобавлено: 02 июн 2014, 16:47 
Не в сети
Аватара пользователя

Зарегистрирован: 04 окт 2013, 11:32
Сообщения: 175
Авто: Opel Rekord hardtop coupe 1969 5,7
Крайне негативно. Но я бы хотел все таки воздержаться от войны и политики в этой теме. Пусть хоть в этой теме ее не будет - этого говна везде хватает на каждом шагу.

_________________
Yo, dawg. We heard you like blowers. So we put a blower on your blower on your blower on your blower on your blower. So now you can blow while you blow while you blow while you blow (C)


Вернуться к началу
 Профиль  
 
Показать сообщения за:  Поле сортировки  
Начать новую тему Ответить на тему  [ Сообщений: 233 ]  На страницу Пред.  1 ... 16, 17, 18, 19, 20, 21, 22 ... 24  След.


Часовой пояс: UTC + 2 часа [ Летнее время ]


Кто сейчас на конференции

Сейчас этот форум просматривают: нет зарегистрированных пользователей и гости: 20


Вы не можете начинать темы
Вы не можете отвечать на сообщения
Вы не можете редактировать свои сообщения
Вы не можете удалять свои сообщения
Вы не можете добавлять вложения

Перейти:  
cron
Дружественные проекты: Фреон для автомобилей, Оптовая продажа фреона на сайте freezeoil.com.ua.
Фреон R134a, R410A, R404A, R606a, R507. Фреоны для кондиционеров, холодильников, пожаротушения.