Detroit Clan

Украинский клуб владельцев настоящих американских автомобилей
Текущее время: 22 мар 2026, 03:40

Часовой пояс: UTC + 2 часа [ Летнее время ]


Важное сообщение! Что произошло с форумом? Все по ссылке


Интернет магазин Ваши Шины


Начать новую тему Ответить на тему  [ Сообщений: 228 ]  На страницу Пред.  1 ... 11, 12, 13, 14, 15, 16, 17 ... 23  След.
Автор Сообщение
 Заголовок сообщения: Re: И снова здрасьте!
СообщениеДобавлено: 04 ноя 2013, 00:15 
Не в сети
Член клуба
Аватара пользователя

Зарегистрирован: 02 сен 2013, 12:43
Сообщения: 481
Откуда: CCCP
Авто: Chevy Tahoe `94 (5,7 vortec)
Питание на катушке есть, что мерять дальше?

_________________
- Шеф, я готов поспорить, что ты даже не отличишь!
- Наше виски лучше чем оригинал!
- Это точно! У нас технология лучше...


Вернуться к началу
 Профиль  
 
 Заголовок сообщения: Re: И снова здрасьте!
СообщениеДобавлено: 04 ноя 2013, 00:37 
Не в сети
Член клуба
Аватара пользователя

Зарегистрирован: 11 июн 2008, 15:13
Сообщения: 23218
Авто: Nissan Leaf 12
*


Вложения:
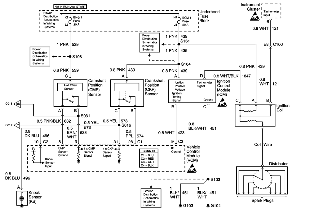
445545.gif
445545.gif [ 81.32 КБ | Просмотров: 2432 ]
Вернуться к началу
 Профиль  
 
 Заголовок сообщения: Re: И снова здрасьте!
СообщениеДобавлено: 04 ноя 2013, 00:41 
Не в сети
Член клуба
Аватара пользователя

Зарегистрирован: 11 июн 2008, 15:13
Сообщения: 23218
Авто: Nissan Leaf 12
или модуль или датчик кв . лезь под машину снимай разъем датчика подчисти , пошевели , там чуть выше косичка его висит тоже подергать . модуль уже не проверишь в полевых условиях


Вернуться к началу
 Профиль  
 
 Заголовок сообщения: Re: И снова здрасьте!
СообщениеДобавлено: 04 ноя 2013, 00:44 
Не в сети
Член клуба
Аватара пользователя

Зарегистрирован: 02 сен 2013, 12:43
Сообщения: 481
Откуда: CCCP
Авто: Chevy Tahoe `94 (5,7 vortec)
Мнээээ..... датчик коленвала.... угу, все ясно и понятно.... :wall: а висит (или как там оно крепится) где именно? желательно с координатами и стрелочками :pardon:

_________________
- Шеф, я готов поспорить, что ты даже не отличишь!
- Наше виски лучше чем оригинал!
- Это точно! У нас технология лучше...


Вернуться к началу
 Профиль  
 
 Заголовок сообщения: Re: И снова здрасьте!
СообщениеДобавлено: 04 ноя 2013, 00:50 
Не в сети
Член клуба
Аватара пользователя

Зарегистрирован: 11 июн 2008, 15:13
Сообщения: 23218
Авто: Nissan Leaf 12
не обязательно датчик . ошибки конкретной оп нему нету . у них модули эти тоже те еще штучки . стоит за шкивом коленвала снизу доступен


Вернуться к началу
 Профиль  
 
 Заголовок сообщения: Re: И снова здрасьте!
СообщениеДобавлено: 04 ноя 2013, 00:53 
Не в сети
Член клуба
Аватара пользователя

Зарегистрирован: 04 фев 2013, 17:07
Сообщения: 1173
Откуда: Киев
Авто: Мои бывшие: Ford Taurus sedan V6 3.0 1994 year, Jeep Grand Cherokee limited V8 5,2 1993
если датчик коленвала наипнулся то двиг не зведешь :(

_________________
Проблемы индейцев шерифа не волнуют


Вернуться к началу
 Профиль  
 
 Заголовок сообщения: Re: И снова здрасьте!
СообщениеДобавлено: 04 ноя 2013, 00:54 
Не в сети
Член клуба
Аватара пользователя

Зарегистрирован: 02 сен 2013, 12:43
Сообщения: 481
Откуда: CCCP
Авто: Chevy Tahoe `94 (5,7 vortec)
Капитан Улитка
Уточняющий вопрос - датчик стоит ДО коробки, ПОСЛЕ, справа, слева? больше терзать не буду - пора спать ложиться, завтра утром последний шанс уехать своим ходом.

_________________
- Шеф, я готов поспорить, что ты даже не отличишь!
- Наше виски лучше чем оригинал!
- Это точно! У нас технология лучше...


Вернуться к началу
 Профиль  
 
 Заголовок сообщения: Re: И снова здрасьте!
СообщениеДобавлено: 04 ноя 2013, 00:55 
Не в сети
Член клуба
Аватара пользователя

Зарегистрирован: 02 сен 2013, 12:43
Сообщения: 481
Откуда: CCCP
Авто: Chevy Tahoe `94 (5,7 vortec)
OlegN писал(а):
если датчик коленвала наипнулся то двиг не зведешь :(

дорого стоят? в наличии имеются в киеве или надо заказывать?

_________________
- Шеф, я готов поспорить, что ты даже не отличишь!
- Наше виски лучше чем оригинал!
- Это точно! У нас технология лучше...


Вернуться к началу
 Профиль  
 
 Заголовок сообщения: Re: И снова здрасьте!
СообщениеДобавлено: 04 ноя 2013, 00:57 
Не в сети
Член клуба
Аватара пользователя

Зарегистрирован: 11 июн 2008, 15:13
Сообщения: 23218
Авто: Nissan Leaf 12
на передней крышке двигателя в самом низу


Вернуться к началу
 Профиль  
 
 Заголовок сообщения: Re: И снова здрасьте!
СообщениеДобавлено: 04 ноя 2013, 01:02 
Не в сети
Член клуба
Аватара пользователя

Зарегистрирован: 04 фев 2013, 17:07
Сообщения: 1173
Откуда: Киев
Авто: Мои бывшие: Ford Taurus sedan V6 3.0 1994 year, Jeep Grand Cherokee limited V8 5,2 1993
он к коробке не имеет отношения

_________________
Проблемы индейцев шерифа не волнуют


Вернуться к началу
 Профиль  
 
Показать сообщения за:  Поле сортировки  
Начать новую тему Ответить на тему  [ Сообщений: 228 ]  На страницу Пред.  1 ... 11, 12, 13, 14, 15, 16, 17 ... 23  След.


Часовой пояс: UTC + 2 часа [ Летнее время ]


Кто сейчас на конференции

Сейчас этот форум просматривают: нет зарегистрированных пользователей и гости: 2


Вы не можете начинать темы
Вы не можете отвечать на сообщения
Вы не можете редактировать свои сообщения
Вы не можете удалять свои сообщения
Вы не можете добавлять вложения

Перейти:  
cron
Дружественные проекты: Фреон для автомобилей, Оптовая продажа фреона на сайте freezeoil.com.ua.
Фреон R134a, R410A, R404A, R606a, R507. Фреоны для кондиционеров, холодильников, пожаротушения.