Detroit Clan

Украинский клуб владельцев настоящих американских автомобилей
Текущее время: 15 фев 2026, 16:41

Часовой пояс: UTC + 2 часа [ Летнее время ]


Важное сообщение! Что произошло с форумом? Все по ссылке


Интернет магазин Ваши Шины


Начать новую тему Ответить на тему  [ Сообщений: 24 ]  На страницу Пред.  1, 2, 3  След.
Автор Сообщение
СообщениеДобавлено: 10 дек 2010, 10:01 
Не в сети
Герр Гюнтер
Аватара пользователя

Зарегистрирован: 04 июл 2008, 22:23
Сообщения: 11719
Откуда: Kiev
Авто: Chevrolet Camaro 5.1
То что она херово заводится пусть решит Ростик, а когда сделает, то чтобы обороты не гуляли нужно обучить комп холостому ходу, сделай так (это по книжке):

1) отключаешь аккум на 5 мин чтобы комп обнулился, выключаешь всё(обогревы, кондишн и т.д.), не крутишь руль, не газуешь, не торогаешь тормоз

2)Заводишь, зажимаешь ручник или фиксируешь както иначе колеса, включаешь на автомате D, ждешь пока вентилятор не включится и выключится, глушишь

3) ждешь 5 минут, повторяешь пункт 2)

Если процедура обучения ХХ (idle learn) не помогла, то смотри неисправность в других местах. Вакумные утечки могут заставлять гулять холостые, проверь точно ли настроин датчик положения дроссельной заслонки (это может сделать ростик сканером или я ноутбуком), проводка и т.д. ...удачного ремонта

_________________
Изображение
Chevrolet Camaro 1988 5.1L V8 carb, T-5 ручка


Вернуться к началу
 Профиль  
 
СообщениеДобавлено: 10 дек 2010, 21:21 
Не в сети
Член клуба
Аватара пользователя

Зарегистрирован: 12 фев 2009, 19:23
Сообщения: 2316
Авто: Fire383/Т5 на ходу
что говорит сто с Ростиславом?

_________________
mr_Capone писал(а):
инжектор? не, не слышал :unknown:


Вернуться к началу
 Профиль  
 
СообщениеДобавлено: 14 дек 2010, 13:09 
Не в сети
Герр Гюнтер
Аватара пользователя

Зарегистрирован: 04 июл 2008, 22:23
Сообщения: 11719
Откуда: Kiev
Авто: Chevrolet Camaro 5.1
Я вчера был у pulse по его просьбе. Машина не заводится, нужно ее отвезти Ростику

...
Комп (ноутбук) не видит связи с компом машины, но блинк код отрабатывает, тоесть порван информационный провод. Ищи обрыв или закоротку в проводе который идет от контакта "Е" диагностического разъема под рулем(первый рисунок) до контакта "A8"(отмечен на моем рисунке красным кружком, провод оранжевый) меньшего разъема блока управления двигателем(блок управления под торпедой у пассажирского места похожий по габаритам на CD дисковод)

Датчик положения дроссельной заслонки можно и без компьютера настроить. Для этого тебе нужно сделать так чтобы между ним и разъемом были оголенные провода и ты их мог мерять волтметром. Нижний контакт это 5V с компьютера, средний это его сигнал который зависит от нажатия на педаль газа, верхний земля. Нужно включить зажигание и померять вольтметром напряжение между верхним и средним контактом(на картинке A и B). Должно быть 0.55V (+/-0.05V) . Если этого нет, то нужно повернуть датчик так чтобы было 0.55V. Когда педаль нажата поностью должно быть 5V


Вложения:
interface2.gif
interface2.gif [ 11.3 КБ | Просмотров: 3114 ]
connector1.JPG
connector1.JPG [ 83.06 КБ | Просмотров: 3114 ]
connector2-1.JPG
connector2-1.JPG [ 84.18 КБ | Просмотров: 3114 ]
connector2-2.JPG
connector2-2.JPG [ 7.55 КБ | Просмотров: 3114 ]
tps.JPG
tps.JPG [ 27.51 КБ | Просмотров: 3114 ]

_________________
Изображение
Chevrolet Camaro 1988 5.1L V8 carb, T-5 ручка
Вернуться к началу
 Профиль  
 
СообщениеДобавлено: 14 дек 2010, 13:31 
Не в сети
Герр Гюнтер
Аватара пользователя

Зарегистрирован: 04 июл 2008, 22:23
Сообщения: 11719
Откуда: Kiev
Авто: Chevrolet Camaro 5.1
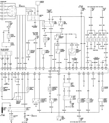
Вот схема всей электроники в твоей машине


Вложения:
wiringV6.JPG
wiringV6.JPG [ 155.36 КБ | Просмотров: 3105 ]

_________________
Изображение
Chevrolet Camaro 1988 5.1L V8 carb, T-5 ручка
Вернуться к началу
 Профиль  
 
СообщениеДобавлено: 14 дек 2010, 16:09 
Не в сети
Член клуба
Аватара пользователя

Зарегистрирован: 07 мар 2009, 15:25
Сообщения: 4103
Откуда: ВОРЗЕЛЬ
Авто: OMEGA A 3.0-OMEGA B 2.0-OMEGA A 2.0-ASCONA 2.0 cabrio (в работе)
Вот это - грамотный подход. А что там по вакуумным трубкам - вкратце хотя бы - все посмотрели??? Состояние проводки под капотом ? вааще - много ли колхоза - скрутки , провода идущие вникуда и т.п.????

_________________
In god we trust everyone - else pay cash !!!
У МЕНЯ ТЕПЕРЬ УЖЕ НЕТ АМЕРИКАНСКОЙ МАШИНЫ!!!!!!!
ЗЫЫ. Люблю жОсткое немецкое порно -желательно на видеокассетах.


Вернуться к началу
 Профиль  
 
СообщениеДобавлено: 14 дек 2010, 16:14 
Не в сети
Герр Гюнтер
Аватара пользователя

Зарегистрирован: 04 июл 2008, 22:23
Сообщения: 11719
Откуда: Kiev
Авто: Chevrolet Camaro 5.1
Под капотом на первый взгляд выглядит очень прилично и аккуратно, на вакумные трубки не сильно обращал внимание. Из колхоза увидел только фильтр типа нулевика, но надеюсь сделан грамотно

_________________
Изображение
Chevrolet Camaro 1988 5.1L V8 carb, T-5 ручка


Вернуться к началу
 Профиль  
 
СообщениеДобавлено: 14 дек 2010, 16:47 
Не в сети
Немец
Аватара пользователя

Зарегистрирован: 27 июл 2010, 16:39
Сообщения: 8867
Откуда: Киев
Авто: Mercedes-Benz
Hunter писал(а):
Вот схема всей электроники в твоей машине

На мой Блейзер есть?

_________________
"Зиг хайль май лайф"...
Счастлив не тот, кто выбрал «правильный» путь, а тот, кто любит свою дорогу...


Вернуться к началу
 Профиль  
 
СообщениеДобавлено: 14 дек 2010, 16:52 
Не в сети
Герр Гюнтер
Аватара пользователя

Зарегистрирован: 04 июл 2008, 22:23
Сообщения: 11719
Откуда: Kiev
Авто: Chevrolet Camaro 5.1
Щас гляну

_________________
Изображение
Chevrolet Camaro 1988 5.1L V8 carb, T-5 ручка


Вернуться к началу
 Профиль  
 
СообщениеДобавлено: 14 дек 2010, 17:11 
Не в сети
Герр Гюнтер
Аватара пользователя

Зарегистрирован: 04 июл 2008, 22:23
Сообщения: 11719
Откуда: Kiev
Авто: Chevrolet Camaro 5.1
Посмотрел - схемы целиком нету (на Фаер и Камаро я нашел ее на американском форуме),на твой есть распиновка разъемов на блоке управления двигателем и схемы узлов по отдельности

поставь себе AllDATA если тебе всё это нужно
http://forum.detroit.in.ua/viewtopic.php?f=15&t=2679&start=0

_________________
Изображение
Chevrolet Camaro 1988 5.1L V8 carb, T-5 ручка


Вернуться к началу
 Профиль  
 
СообщениеДобавлено: 14 дек 2010, 19:27 
Не в сети
Член клуба

Зарегистрирован: 09 дек 2010, 20:29
Сообщения: 10
Авто: Pontiac firebird 2.8(автомат) 1989г.вып.
Значит так,вчера нашол где собака зарыта... 4е из 6ти свечей были мертвые,работало только 2ве. Свечи новые DENSO по 45грн. за шт. Сегодня благодаря хорошим людям (Макс,Серж вам респект) купил свечи champion машинка завелась,обороты 750-800 немн. плавают. Завтра хочу ехать к Ростику что бы он настроил мою ласточку................... :pardon: :dance: :gamer: :yahoo: :stars: :pazan:

_________________
-pulse-


Вернуться к началу
 Профиль  
 
Показать сообщения за:  Поле сортировки  
Начать новую тему Ответить на тему  [ Сообщений: 24 ]  На страницу Пред.  1, 2, 3  След.


Часовой пояс: UTC + 2 часа [ Летнее время ]


Кто сейчас на конференции

Сейчас этот форум просматривают: нет зарегистрированных пользователей и гости: 4


Вы не можете начинать темы
Вы не можете отвечать на сообщения
Вы не можете редактировать свои сообщения
Вы не можете удалять свои сообщения
Вы не можете добавлять вложения

Перейти:  
cron
Дружественные проекты: Фреон для автомобилей, Оптовая продажа фреона на сайте freezeoil.com.ua.
Фреон R134a, R410A, R404A, R606a, R507. Фреоны для кондиционеров, холодильников, пожаротушения.